Запчасти Komatsu PC1000LC-1 ПАНЕЛЬ ПРИБОРОВ (/) (С FREE ПОВОРОТН.) (КРОМЕ ЯПОН.) КОМПОНЕНТЫ ДВИГАТЕЛЯ И ЭЛЕКТРИКА

Схема запчастей Komatsu PC1000LC-1 - ПАНЕЛЬ ПРИБОРОВ (/) (С FREE ПОВОРОТН.) (КРОМЕ ЯПОН.) КОМПОНЕНТЫ ДВИГАТЕЛЯ И ЭЛЕКТРИКА
FIT
1:1
100%

Артикул

Название

Примечание

Количество

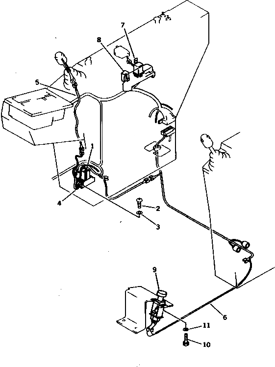
1

209-06-12390

RELAY ASS'Y

2

01220-40416

SCREW

3

01641-40405

WASHER

4

209-06-51140

WIRING HARNESS

5

209-06-51150

WIRING HARNESS

6

209-06-51291

WIRING HARNESS

6

209-06-51290

WIRING HARNESS

G-1

21N-60-X2000

FREE SWING GROUP

7

22W-06-13450

RELAY ASS'Y

8

22W-06-13590

DIODE

9

21T-06-11901

SWITCH ASS'Y

10

01010-50812

BOLT

11

01643-30823

WASHER

Выбрано товаров: 13