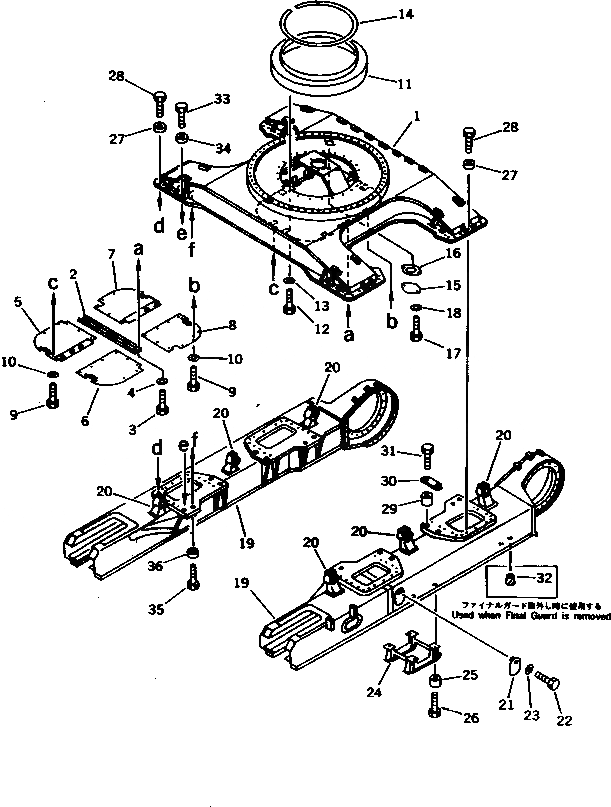
Запчасти Komatsu PC1000LC-1 ГУСЕНИЧНАЯ РАМА (С КРЫШКОЙ)(№-8) ХОДОВАЯ

Схема запчастей Komatsu PC1000LC-1 - ГУСЕНИЧНАЯ РАМА (С КРЫШКОЙ)(№-8) ХОДОВАЯ
FIT
1:1
100%

Артикул

Название

Примечание

Количество

G-1

21N-30-X2200

UNDER COVER GROUP,CENTER FRAME

1

21N-30-12510

FRAME

2

21N-30-11410

PLATE

3

01010-51435

BOLT

4

195-71-32220

WASHER

5

21N-30-12520

COVER

6

21N-30-12530

COVER

7

21N-30-12540

COVER

8

21N-30-12550

COVER

9

01010-51435

BOLT

10

01643-31445

WASHER

11

21N-30-11211

FRAME

12

01010-51255

BOLT

13

01643-31232

WASHER

14

21N-30-11220

SEAL

15

205-30-71181

COVER

16

205-30-71191

GASKET

17

01010-51225

BOLT

18

01643-31232

WASHER

19

21N-30-12121

FRAME,L.H.

19

21N-30-12120

FRAME,L.H.

19

21N-30-12131

FRAME,R.H.

19

21N-30-12130

FRAME,R.H.

20

21N-30-11150

SUPPORT (WELDED)

21

209-30-11220

PLATE

22

01010-51225

BOLT

23

01643-31232

WASHER

24

21N-30-11140

GUARD

25

208-30-11971

SPACER

26

01010-83030

BOLT

27

21N-30-11170

SPACER

28

21N-30-11190

BOLT

29

21N-30-11160

COLLAR

30

21N-30-11230

PLATE

31

21N-30-11180

BOLT

32

07049-03038

PLUG

33

21N-30-11180

BOLT

34

21N-30-11171

SPACER

35

21N-30-11180

BOLT

36

21N-30-11170

SPACER

Выбрано товаров: 40