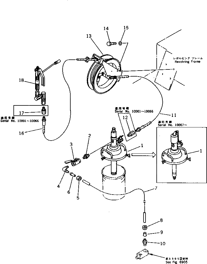
Запчасти Komatsu PC1000SE-1 НАСОС СМАЗКИ ТРУБЫ УПРАВЛ-Е РАБОЧИМ ОБОРУДОВАНИЕМ

Схема запчастей Komatsu PC1000SE-1 - НАСОС СМАЗКИ ТРУБЫ УПРАВЛ-Е РАБОЧИМ ОБОРУДОВАНИЕМ
FIT
1:1
100%

Артикул

Название

Примечание

Количество

G-1

21N-68-X1001

GREASE PUMP GROUP

G-1

21N-68-X1000

GREASE PUMP GROUP

1

209-68-11202

GREASE PUMP ASS'Y

|1

209-68-11201

GREASE PUMP ASS'Y

2

07325-10200

NIPPLE

3

07700-40240

VALVE

4

07834-00613

ELBOW

5

07832-00614

NUT

6

07831-00612

SLEEVE

7

07822-00608

TUBE

8

07832-00614

NUT

9

07831-00612

SLEEVE

10

07836-00613

CONNECTOR

11

209-68-51160

HOSE

12

20S-01-11210

NIPPLE

13

209-68-51240

HOSE REEL ASS'Y

14

01010-51030

BOLT

15

01643-31032

WASHER

16

209-68-11242

HOSE

17

20S-01-11210

NIPPLE

18

209-68-11230

GREASE GUN ASS'Y

Выбрано товаров: 21