Запчасти Komatsu PC1000SE-1 ГИДР. НАСОС.¤ ПОВОРОТН. (ПЕРЕДН. СЕРВОКЛАПАН) (7/) УПРАВЛ-Е РАБОЧИМ ОБОРУДОВАНИЕМ

Схема запчастей Komatsu PC1000SE-1 - ГИДР. НАСОС.¤ ПОВОРОТН. (ПЕРЕДН. СЕРВОКЛАПАН) (7/) УПРАВЛ-Е РАБОЧИМ ОБОРУДОВАНИЕМ
FIT
1:1
100%

Артикул

Название

Примечание

Количество

|$0

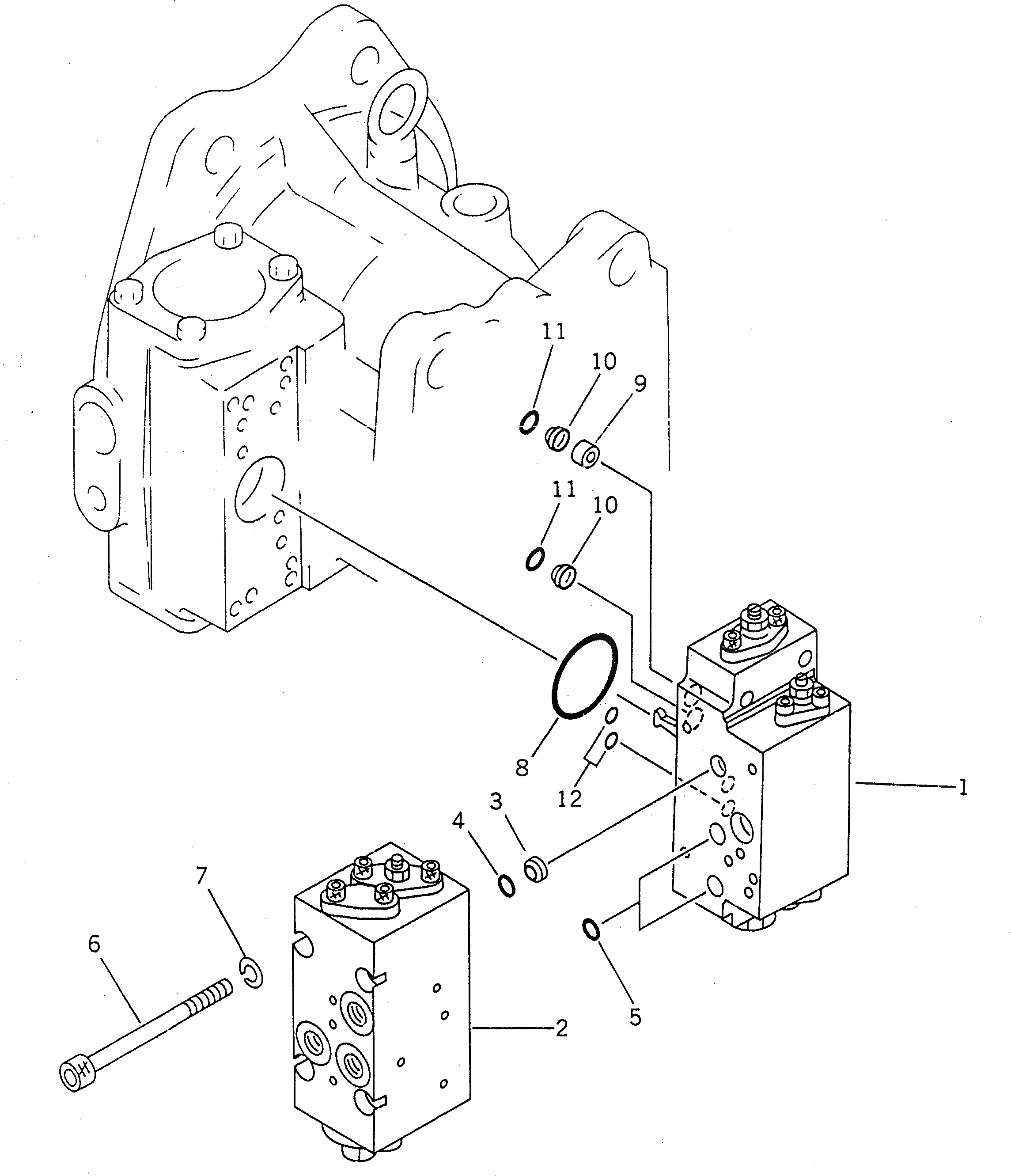
708-25-02081

PUMP ASS'Y,(HPV 90+90)

|$1

708-25-02080

PUMP ASS'Y,(HPV 90+90)

|$3

708-25-07190

SERVO VALVE ASS'Y,FRONT

1

708-25-07390

SERVO VALVE SUB A.,FRONT

2

708-25-07590

VALVE ASS'Y,CO AND NC

3

720-68-11920

FILTER

4

07000-12010

O-RING

5

07000-02011

O-RING

6

708-25-19160

BOLT

7

01602-20825

WASHER,SPRING

8

07000-03048

O-RING

9

708-25-19150

ORIFICE

10

720-68-11920

FILTER

11

07000-12010

O-RING

12

07000-11009

O-RING

Выбрано товаров: 15