Запчасти Komatsu PC1000SE-1 SPEED SELECT ТРУБЫ (ДЛЯ ДОПОЛН. МАСЛООХЛАДИТЕЛЬ)(№-) УПРАВЛ-Е РАБОЧИМ ОБОРУДОВАНИЕМ

Схема запчастей Komatsu PC1000SE-1 - SPEED SELECT ТРУБЫ (ДЛЯ ДОПОЛН. МАСЛООХЛАДИТЕЛЬ)(№-) УПРАВЛ-Е РАБОЧИМ ОБОРУДОВАНИЕМ
FIT
1:1
100%

Артикул

Название

Примечание

Количество

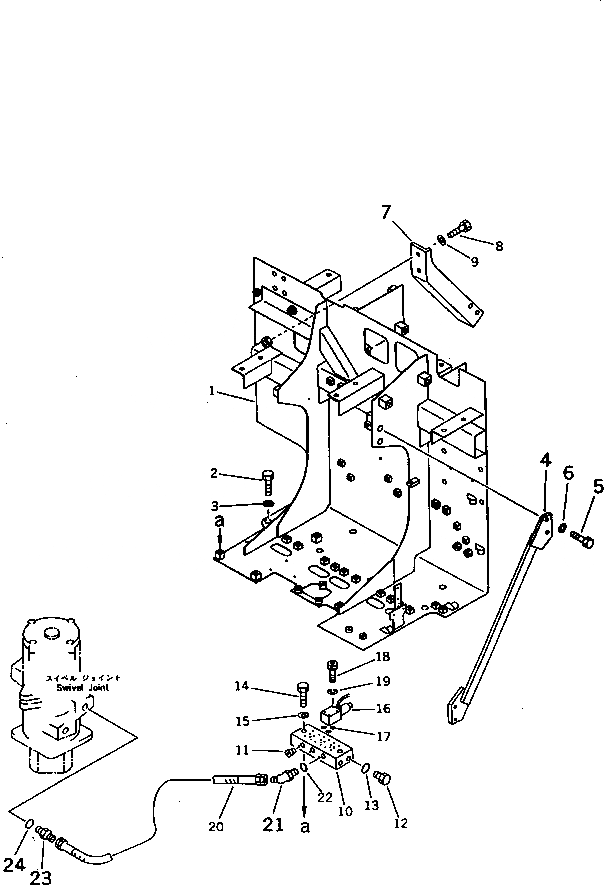
1

21N-62-14540

BRACKET

2

01010-51640

BOLT

3

01643-31645

WASHER

4

21N-62-14530

ROD

5

01010-51640

BOLT

6

01643-31645

WASHER

7

21N-62-11430

BRACKET

8

01010-51640

BOLT

9

01643-31645

WASHER

10

209-62-57780

BLOCK

11

07043-70108

PLUG

12

07040-11409

PLUG

13

07002-01423

O-RING

14

01010-51260

BOLT

15

01643-31232

WASHER

16

205-62-74571

VALVE

17

205-62-74580

O-RING

18

01252-40550

BOLT

19

01601-20513

WASHER

20

07103-20225

HOSE

21

07236-10210

ELBOW

22

07002-01423

O-RING

23

175-79-82720

NIPPLE

24

07002-02034

O-RING

Выбрано товаров: 0