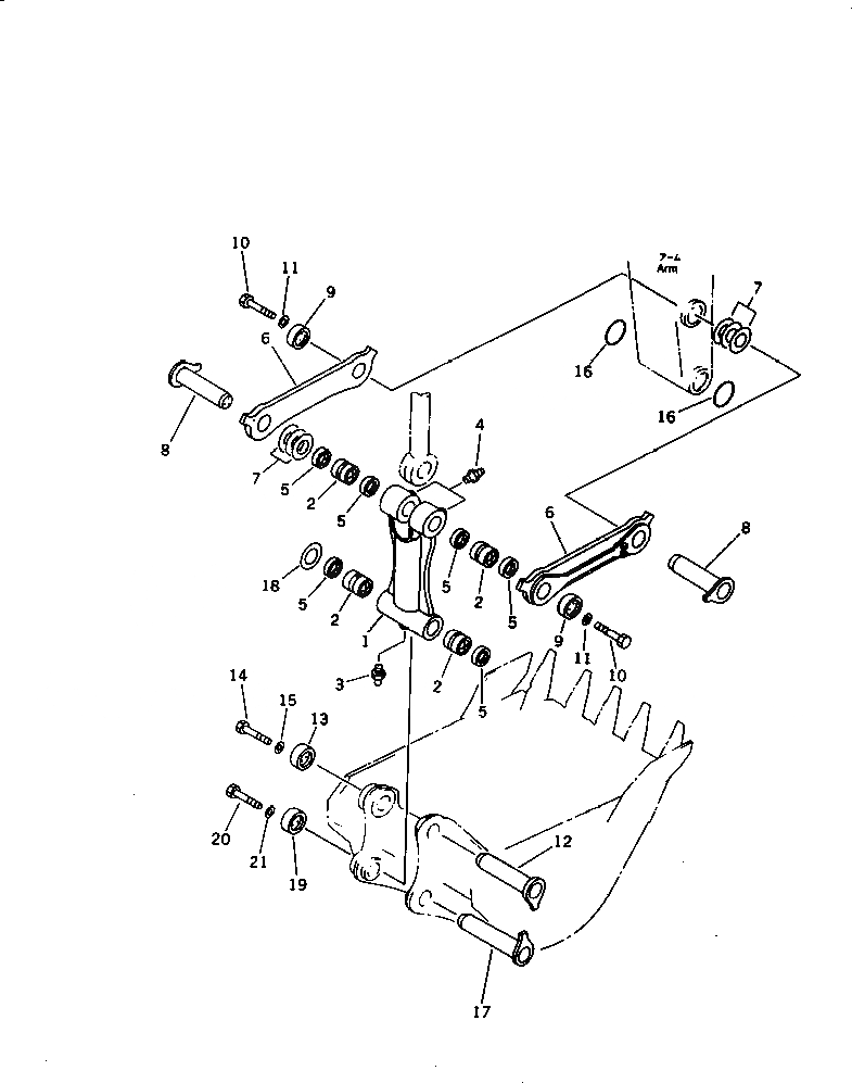
Запчасти Komatsu PC1000SE-1 СОЕДИНИТЕЛЬН. ЗВЕНО РАБОЧЕЕ ОБОРУДОВАНИЕ (ЭКСКАВАТ.)

Схема запчастей Komatsu PC1000SE-1 - СОЕДИНИТЕЛЬН. ЗВЕНО РАБОЧЕЕ ОБОРУДОВАНИЕ (ЭКСКАВАТ.)
FIT
1:1
100%

Артикул

Название

Примечание

Количество

G-1

21N-70-X3020

LINK GROUP

1

21N-70-13510

LINK

2

21N-70-12170

BUSHING

3

07020-00000

FITTING,GREASE

4

07020-00000

FITTING,GREASE

5

209-72-11261

SEAL

6

21N-70-13520

LINK

G-2

21N-70-X3210

PIN GROUP,NON-ADJUSTABLE

G-2

21N-70-X3220

PIN GROUP,ADJUSTABLE

7

21N-72-11230

SHIM, 1.0MM

8

21N-70-13310

PIN

9

21N-70-13330

STOPPER

10

01010-52455

BOLT

11

01643-32460

WASHER

12

21N-70-13320

PIN,NON-ADJUSTABLE

12

21N-70-13340

PIN,ADJUSTABLE

13

21N-70-13330

STOPPER

14

01010-52455

BOLT

15

01643-32460

WASHER

16

21N-70-13150

O-RING

17

21N-70-13320

PIN

18

21N-72-11230

SHIM, 1.0MM

19

21N-70-13330

STOPPER

20

01010-52455

BOLT

21

01643-32460

WASHER

Выбрано товаров: 25