Запчасти Komatsu PC1000SP-1 БЕЗОПАСН. ЗАКРЫВАЮЩИЙ КЛАПАНTO АККУМУЛЯТОР ТРУБЫ (ДЛЯ ЭКСКАВАТ.) УПРАВЛ-Е РАБОЧИМ ОБОРУДОВАНИЕМ

Схема запчастей Komatsu PC1000SP-1 - БЕЗОПАСН. ЗАКРЫВАЮЩИЙ КЛАПАНTO АККУМУЛЯТОР ТРУБЫ (ДЛЯ ЭКСКАВАТ.) УПРАВЛ-Е РАБОЧИМ ОБОРУДОВАНИЕМ
FIT
1:1
100%

Артикул

Название

Примечание

Количество

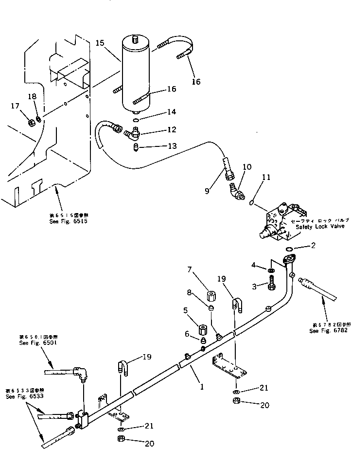
1

21N-62-17111

TUBE

2

07000-03035

O-RING

3

01010-51030

BOLT

4

01643-31032

WASHER

5

07221-20522

NUT

6

07222-00515

PLUG

7

07221-20315

NUT

8

07222-00312

PLUG

9

07102-20304

HOSE

10

07236-10315

ELBOW

11

07002-02034

O-RING

12

07235-50315

ELBOW

13

07042-30108

PLUG

14

07002-02034

O-RING

15

209-60-12820

ACCUMULATOR ASS'Y

16

209-62-27780

BAND

17

01599-01214

NUT

18

01643-31232

WASHER

19

07283-23442

CLIP

20

01599-01011

NUT

21

01643-31032

WASHER

Выбрано товаров: 21