Запчасти Komatsu PC1000SP-1 ГУСЕНИЧНАЯ РАМА ХОДОВАЯ

Схема запчастей Komatsu PC1000SP-1 - ГУСЕНИЧНАЯ РАМА ХОДОВАЯ
FIT
1:1
100%

Артикул

Название

Примечание

Количество

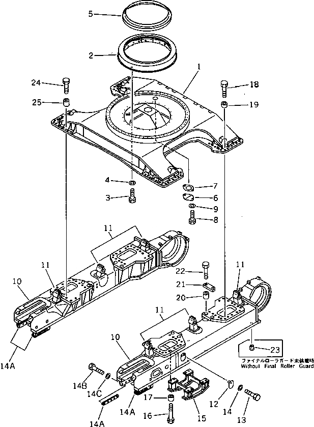
1

21N-30-17112

FRAME

1

21N-30-17111

FRAME

1

21N-30-17110

FRAME

1

21N-30-11680

FRAME,(SP)

2

21N-30-11211

FRAME

3

01010-51255

BOLT

4

01643-31232

WASHER

5

21N-30-11220

SEAL

6

205-30-71181

COVER

7

205-30-71191

GASKET

8

01010-51225

BOLT

9

01643-31232

WASHER

10

21N-30-17121

FRAME,L.H.

10

21N-30-17260

FRAME,L.H. (FOR EC)

10

21N-30-17131

FRAME,R.H.

10

21N-30-17270

FRAME,R.H. (FOR EC)

11

21N-30-11150

SUPPORT (WELDED)

12

209-30-11220

PLATE

13

01010-51225

BOLT

14

01643-31232

WASHER

14A

21N-30-17530

PLATE

14B

01010-83060

BOLT

14C

01643-33080

WASHER

15

21N-30-17141

GUARD

16

01011-83030

BOLT

17

208-30-11971

SPACER

18

21N-30-11190

BOLT

19

21N-30-11170

SPACER

20

21N-30-11160

COLLAR

21

21N-30-11230

PLATE

22

21N-30-11180

BOLT

23

07049-03038

PLUG

24

21N-30-11180

BOLT

25

21N-30-11171

SPACER

Выбрано товаров: 0