Запчасти Komatsu PC1000SP-1 ОПОРНЫЙ ЭЛЕМЕНТ ЛЕНИВЦА (/) ХОДОВАЯ

Схема запчастей Komatsu PC1000SP-1 - ОПОРНЫЙ ЭЛЕМЕНТ ЛЕНИВЦА (/) ХОДОВАЯ
FIT
1:1
100%

Артикул

Название

Примечание

Количество

|$0

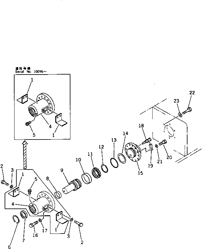
21N-30-00070

CYLINDER ASS'Y,H.I.C.

1

209-30-15270

BRACKET

2

01010-51225

BOLT

3

01643-31232

WASHER

4

21N-30-14120

CYLINDER

5

07029-00000

VALVE,RELIEF

6

21N-30-14190

RING,SNAP

7

07016-01209

SEAL,DUST

8

07177-01235

BUSHING

9

21N-30-14140

PLUNGER

10

07155-01845

RING

11

21T-30-14210

PACKING

12

04070-00155

RING,SNAP

13

07000-15170

O-RING

14

07001-05170

RING,BACK-UP

15

21N-30-14150

FLANGE

16

01010-52080

BOLT

17

01643-32060

WASHER

18

198-30-14420

PLUG

19

21T-30-14250

STOPPER

20

01010-51225

BOLT

21

01643-31232

WASHER

22

01011-52030

BOLT

23

01643-32060

WASHER

Выбрано товаров: 24