Запчасти Komatsu PC100L-2 ПРУЖИНА ХОДОВАЯ

Схема запчастей Komatsu PC100L-2 - ПРУЖИНА ХОДОВАЯ
FIT
1:1
100%

Артикул

Название

Примечание

Количество

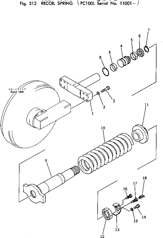
1

204-30-24120

YOKE

2

01010-31685

BOLT

3

01643-31645

WASHER

4

203-30-34141

PISTON

5

07155-00720

RING

6

09370-00070

U-PACKING

7

04064-04518

RING,SNAP

8

07000-05070

O-RING

9

204-30-24110

CYLINDER

10

125-30-21510

SPRING

11

204-30-24130

PILOT

12

203-30-34220

NUT

13

203-30-34230

LOCK

14

01010-31020

BOLT

15

01643-31032

WASHER

16

203-30-34240

CAP

17

201-30-14280

LUBRICATOR

18

07020-00900

FITTING,GREASE

Выбрано товаров: 18