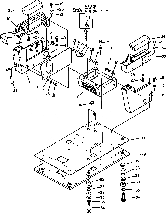
Запчасти Komatsu PC100L-3 КАБИНА¤ ОСНОВН. КОНСТРУКЦИЯ (ДЛЯ WRIST УПРАВЛ-Е)(№-99) ОСНОВНАЯ РАМА И КАБИНА

Схема запчастей Komatsu PC100L-3 - КАБИНА¤ ОСНОВН. КОНСТРУКЦИЯ (ДЛЯ WRIST УПРАВЛ-Е)(№-99) ОСНОВНАЯ РАМА И КАБИНА
FIT
1:1
100%

Артикул

Название

Примечание

Количество

1

203-54-41521

BOX,R.H.

2

08037-05016

GROMMET

3

01010-51225

BOLT

4

01643-31232

WASHER

5

203-54-41532

BOX,L.H.

5

203-54-41531

BOX,L.H.

6

01010-51225

BOLT

7

01643-31232

WASHER

8

203-54-41113

BRACKET

8

203-54-41112

BRACKET

9

01010-51025

BOLT

10

01643-31032

WASHER

11

01010-51230

BOLT

12

01643-31232

WASHER

13

203-54-41193

COVER

13

203-54-41192

COVER

14

01010-50612

BOLT

14

01220-40612

SCREW

15

01010-50612

BOLT

16

01602-20619

WASHER,SPRING

17

01640-20610

WASHER

18

203-54-41122

BOX,R.H.

19

01010-50820

BOLT

20

01602-20825

WASHER,SPRING

21

01643-30823

WASHER

22

203-54-41133

BOX,L.H.

22

203-54-41132

BOX,L.H.

23

01010-50820

BOLT

24

01602-20825

WASHER,SPRING

25

203-54-41172

CUSHION,R.H.

26

203-54-41182

CUSHION,L.H.

27

01010-50820

BOLT

28

01602-20825

WASHER,SPRING

29

203-54-41142

FRAME,FLOOR

30

201-54-21860

COLLAR

31

205-54-51950

PLATE

32

203-54-21110

CUSHION

33

07000-03035

O-RING

34

01010-51675

BOLT

35

01643-31645

WASHER

36

176-911-4160

GROMMET

37

203-54-41412

PIN

38

203-54-41251

MAT,FLOOR

Выбрано товаров: 0