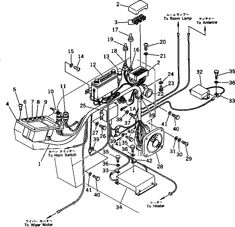
Запчасти Komatsu PC100L-3 ПАНЕЛЬ ПРИБОРОВ (ДЛЯ WRIST УПРАВЛ-Е) (АВТОМ. ЗАМЕДЛЕНИЕ ОБОРОТОВ)(С ПОВОРОТН. МЕХАНИЧ. ТОРМОЗ.)(№-) КОМПОНЕНТЫ ДВИГАТЕЛЯ И ЭЛЕКТРИКА

Схема запчастей Komatsu PC100L-3 - ПАНЕЛЬ ПРИБОРОВ (ДЛЯ WRIST УПРАВЛ-Е) (АВТОМ. ЗАМЕДЛЕНИЕ ОБОРОТОВ)  (С ПОВОРОТН. МЕХАНИЧ. ТОРМОЗ.)(№-) КОМПОНЕНТЫ ДВИГАТЕЛЯ И ЭЛЕКТРИКА
FIT
1:1
100%

Артикул

Название

Примечание

Количество

1

203-06-41676

WIRE ASS'Y

1A

22W-06-13590

DIODE

2

205-06-71480

FUSE BOX

3

205-06-73180

FUSE, 15A

4

7861-21-1101

PANEL ASS'Y

4

7861-21-1100

PANEL ASS'Y

5

01220-40616

SCREW

6

205-06-71311

SWITCH,MODE

7

205-06-71321

SWITCH,HEATER

8

205-06-71331

SWITCH,LAMP

9

205-06-71341

SWITCH,WIPER

10

201-06-21510

SWITCH,STARTING

11

203-06-41810

LAMP

11

08111-02430

BULB, 3W

12

203-06-42110

RADIO

12

20G-06-15111

RADIO

13

203-06-41930

LIGHTER

14

01220-40412

SCREW

15

01601-20410

WASHER,SPRING

16

203-06-41570

SWITCH,AUTO DECELERATION

17

203-06-41610

CAP

18

203-06-41570

SWITCH,PARKING BRAKE

19

203-06-41680

CAP

20

01220-40616

SCREW

21

01643-30623

WASHER

22

203-06-41920

BUZZER

23

01220-40612

SCREW

24

01602-20619

WASHER,SPRING

25

7861-72-3000

CONTROLLER ASS'Y

25

7861-01-3000

CONTROLLER ASS'Y

26

01010-50612

BOLT

27

01602-20619

WASHER,SPRING

28

20G-06-15120

SPEAKER

29

01220-40420

SCREW

30

01601-20410

WASHER,SPRING

31

01641-20405

WASHER

32

203-06-41790

RESISTOR

33

08036-01814

CLIP

34

21K-06-21150

BOX

35

01010-50816

BOLT

36

01643-30823

WASHER

37

01010-50610

BOLT

38

01602-20619

WASHER,SPRING

39

08036-01814

CLIP

40

01010-51016

BOLT

41

01602-21030

WASHER,SPRING

42

08036-03014

CLIP

Выбрано товаров: 47