Запчасти Komatsu PC100L-5 ГИДРОЛИНИЯ (МОТОР ХОДА ЛИНИЯ) (НИЖН. /) ХОДОВАЯ

Схема запчастей Komatsu PC100L-5 - ГИДРОЛИНИЯ (МОТОР ХОДА ЛИНИЯ) (НИЖН. /) ХОДОВАЯ
FIT
1:1
100%

Артикул

Название

Примечание

Количество

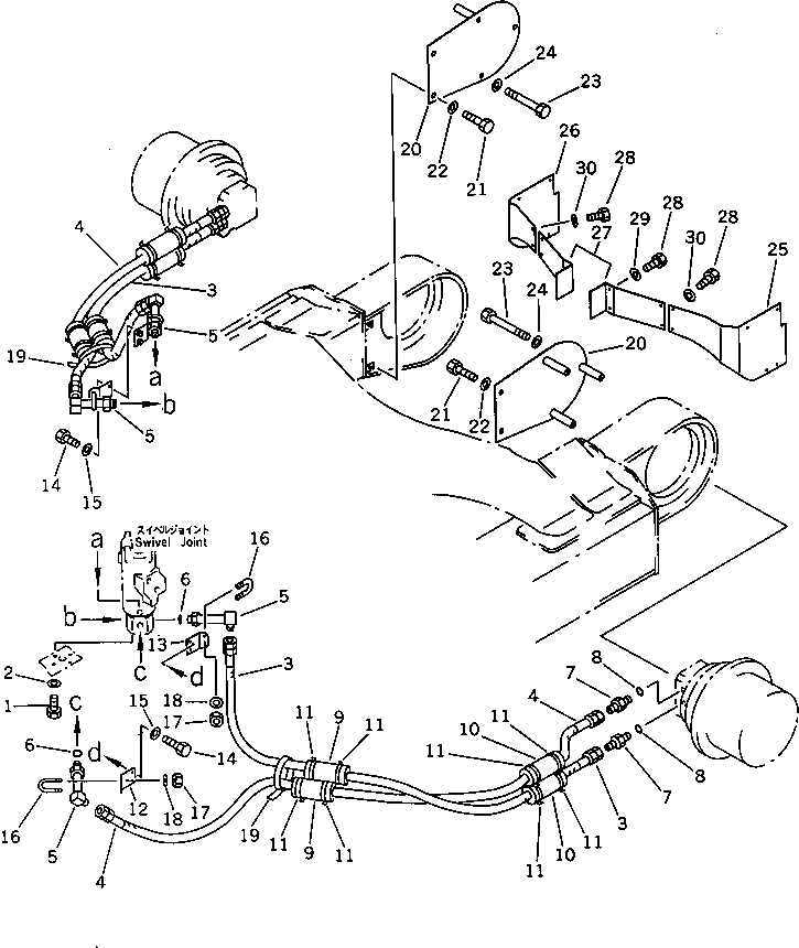
1

01010-51235

BOLT

2

01643-31232

WASHER

3

203-62-56180

HOSE

4

204-62-41310

HOSE

5

203-62-56990

ELBOW

6

07002-12434

O-RING

7

07230-20522

UNION

8

07002-12434

O-RING

9

205-62-53780

COVER

10

203-62-52210

RUBBER

11

08034-00823

BAND

12

204-62-41230

PLATE

13

204-62-41220

PLATE

14

01010-51025

BOLT

15

01643-31032

WASHER

16

07283-22738

CLIP

17

01599-01011

NUT

18

01643-31032

WASHER

19

08034-00834

BAND

20

204-62-41110

COVER

21

01010-51025

BOLT

22

01643-31032

WASHER

23

01011-51670

BOLT

24

01643-31645

WASHER

25

204-62-41271

COVER,L.H.

|25

204-62-41270

COVER,L.H.

26

204-62-41281

COVER,R.H.

|26

204-62-41280

COVER,R.H.

27

204-62-41290

COVER

28

01010-51025

BOLT

29

01643-31032

WASHER

30

203-54-56970

WASHER

|30

01643-31032

WASHER

Выбрано товаров: 33