Запчасти Komatsu PC100L-6 MALTIPLE PATTERN (ТРУБЫ)(№-99) ГИДРАВЛИКА

Схема запчастей Komatsu PC100L-6 - MALTIPLE PATTERN (ТРУБЫ)(№-99) ГИДРАВЛИКА
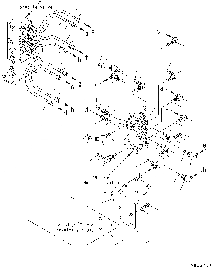
1
1
1
1
1
2
2
2
2
2
3
3
3
3
3
4
4
4
4
4
5
5
6
6
7
7
8
8
9
10
11
12
13
13
13
13
13
13
14
14
14
14
14
14
15
16
17
18
19
20
21
22
23
23
24
25
26
26
26
26
27
28
29
30
31
32
33
34
35
FIT
1:1
100%

Артикул

Название

Примечание

Количество

1

20Y-62-22271

ELBOW

2

201-60-11390

O-RING

3

20Y-62-19560

O-RING

4

07002-01423

O-RING

5

20Y-62-25720

ELBOW

6

201-60-11390

O-RING

7

20Y-62-19560

O-RING

8

07002-01423

O-RING

9

20Y-62-16630

NIPPLE

10

201-60-11390

O-RING

11

20Y-62-19560

O-RING

12

07002-01423

O-RING

13

07235-10210

ELBOW

14

07002-01423

O-RING

15

07230-20210

UNION

16

07002-01423

O-RING

17

07236-10210

ELBOW

18

07002-01423

O-RING

19

203-62-62611

HOSE¤ 330MM

20

203-62-57930

MARK¤ 3

21

203-62-62641

HOSE¤ 500MM

22

203-62-58120

MARK¤ 12

23

203-62-62591

HOSE

24

203-62-57940

MARK¤ 4

25

203-62-57990

MARK¤ 10

26

203-62-62631

HOSE¤ 450MM

27

203-62-57910

MARK¤ 1

28

203-62-57920

MARK¤ 2

29

203-62-62390

MARK¤ 9

30

203-62-58110

MARK¤ 11

31

203-62-62141

BRACKET

32

01010-51030

BOLT

33

01643-31032

WASHER

34

01010-51240

BOLT

35

01643-31232

WASHER

Выбрано товаров: 35