Запчасти Komatsu PC100L-6 ГИДР. БАК.(№-) ГИДРАВЛИКА

Схема запчастей Komatsu PC100L-6 - ГИДР. БАК.(№-) ГИДРАВЛИКА
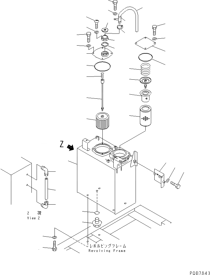
1
2
3
4
5
5
6
7
8
9
10
11
12
13
14
15
16
17
18
19
19
20
20
21
22
23
24
25
26
27
28
29
30
31
32
33
FIT
1:1
100%

Артикул

Название

Примечание

Количество

1

01010-81635

BOLT

2

01643-31645

WASHER

|3

203-60-00516

H.TANK ASS'Y

|3

203-60-00515

TANK ASS'Y

|3

203-60-00514

TANK ASS'Y

3

TANK

|3

TANK

|3

TANK

4

203-60-31160

TUBE

5

203-60-31100

ELBOW ASS'Y

6

203-60-61230

ELEMENT

7

203-60-52260

STRAINER

8

203-60-52250

VALVE ASS'Y

9

175-60-27340

SPRING

10

07000-15155

O-RING

|10

07000-05155

O-RING

11

203-60-61130

COVER

12

01010-81225

BOLT

13

01643-31232

WASHER

14

20Y-60-21311

STRAINER

15

203-60-61161

ROD

16

12R-60-11230

SPRING

17

07000-15180

O-RING

|17

07000-05180

O-RING

18

203-60-61240

COVER

19

01010-81225

BOLT

20

01643-31232

WASHER

21

20Y-60-21340

GASKET

|21

205-60-51460

GASKET

22

20Y-60-21460

NECK

23

01252-70516

BOLT

|23

01220-40516

SCREW

24

01601-20513

WASHER

25

20Y-60-21440

CAP

|25

20Y-60-21470

ELEMENT

26

07044-12412

PLUG

27

07002-02434

O-RING

28

203-60-61151

COVER

29

01010-81220

BOLT

30

01643-31232

WASHER

31

203-60-61190

TUBE

|31

07270-01595

TUBE

32

07285-00155

CLIP

33

08036-02514

CLIP

Выбрано товаров: 44