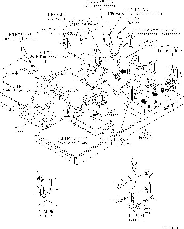
Запчасти Komatsu PC100N-6 ЭЛЕКТРОПРОВОДКА (ОСНОВН. Э/ПРОВОДКА)(№9-) ЭЛЕКТРИКА

Схема запчастей Komatsu PC100N-6 - ЭЛЕКТРОПРОВОДКА (ОСНОВН. Э/ПРОВОДКА)(№9-) ЭЛЕКТРИКА
1
2
3
4
5
5
6
7
8
9
10
11
12
13
14
15
16
17
18
19
20
21
22
22
22
22
22
22
23
23
24
24
25
26
27
28
29
30
31
32
33
34
35
36
37
38
FIT
1:1
100%

Артикул

Название

Примечание

Количество

1

20X-06-47110

WIRING HARNESS

|1

08020-00000

DIODE

|1

08034-00519

BAND

|1

20Y-06-15150

FUSIBLE LINK

2

08035-03014

CLIP

3

01010-81230

BOLT

4

01643-31232

WASHER

5

08035-02514

CLIP

6

01010-81225

BOLT

7

01643-31232

WASHER

8

20Y-06-21460

CLIP

9

08036-01014

CLIP

10

01010-81220

BOLT

11

01643-31232

WASHER

12

203-06-61820

BRACKET

13

01010-81230

BOLT

14

01643-31232

WASHER

15

20Y-06-21460

CLIP

16

08036-01814

CLIP

17

01010-81220

BOLT

18

01643-31232

WASHER

19

01010-81020

BOLT

20

01643-31032

WASHER

21

08038-00519

CAP

22

08036-02514

CLIP

23

01010-81225

BOLT

24

01643-31232

WASHER

25

08035-02514

CLIP

26

01010-81220

BOLT

27

01643-31232

WASHER

28

203-06-66130

BRACKET

29

01010-81225

BOLT

30

01643-31232

WASHER

31

203-06-67161

BRACKET

32

01010-81225

BOLT

33

01643-31232

WASHER

34

203-06-67150

WIRING HARNESS

35

08036-01214

CLIP

36

01010-81220

BOLT

37

01643-31232

WASHER

38

08038-10519

CAP

Выбрано товаров: 41