Запчасти Komatsu PC100S-3 МЕХ-М УПРАВЛ-Я (/) (ДОПОЛН. HYDRAUILC КОНТУР) (ДЛЯ WRIST УПРАВЛ-Е)(№-) ОПЦИОННЫЕ КОМПОНЕНТЫ

Схема запчастей Komatsu PC100S-3 - МЕХ-М УПРАВЛ-Я (/) (ДОПОЛН. HYDRAUILC КОНТУР)       (ДЛЯ WRIST УПРАВЛ-Е)(№-) ОПЦИОННЫЕ КОМПОНЕНТЫ
FIT
1:1
100%

Артикул

Название

Примечание

Количество

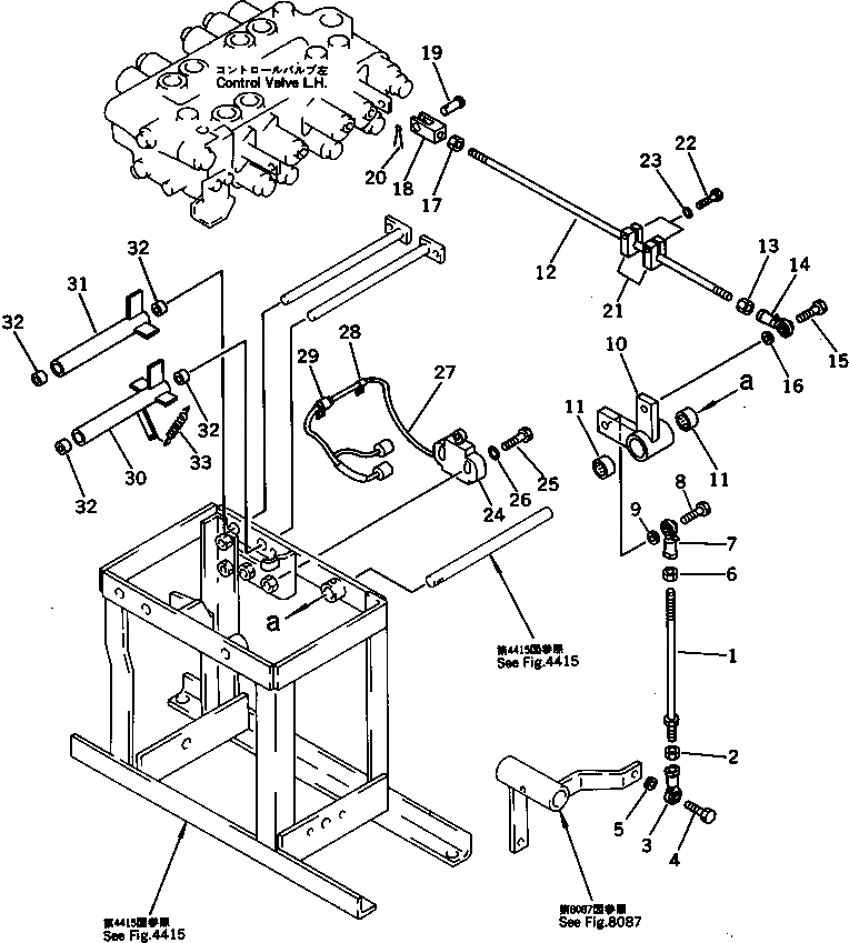
1

04248-31028

ROD

2

01582-11008

NUT

3

04250-41056

END,ROD

4

01010-51030

BOLT

5

01643-31032

WASHER

6

01508-21006

NUT,L.H. THREAD

7

04250-61056

END,ROD¤ L.H. THREAD

8

01010-51030

BOLT

9

01643-31032

WASHER

10

203-43-43832

LEVER

11

195-61-34130

BEARING

12

203-43-43170

ROD

13

01582-11008

NUT

14

04250-41056

END,ROD

15

01010-51030

BOLT

16

01643-31032

WASHER

17

01582-11008

NUT

18

20T-43-22210

YOKE

19

04205-10822

PIN

20

04050-12012

PIN,COTTER

21

203-43-42542

PLATE

22

01010-50625

BOLT

23

01602-20619

WASHER,SPRING

24

22W-06-15860

SWITCH

25

01010-51035

BOLT

26

01643-31032

WASHER

27

203-973-4510

WIRE

28

08036-10814

CLIP

29

08036-01814

CLIP

30

203-43-43850

LEVER

31

203-43-43860

LEVER

32

203-43-31420

BUSHING

33

203-43-43230

SPRING

Выбрано товаров: 33