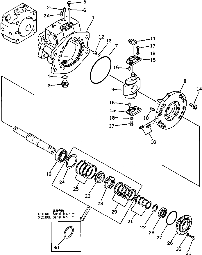
Запчасти Komatsu PC100SS-3 ГИДР. НАСОС.¤ ПЕРЕДН. (/) УПРАВЛ-Е РАБОЧИМ ОБОРУДОВАНИЕМ

Схема запчастей Komatsu PC100SS-3 - ГИДР. НАСОС.¤ ПЕРЕДН. (/) УПРАВЛ-Е РАБОЧИМ ОБОРУДОВАНИЕМ
FIT
1:1
100%

Артикул

Название

Примечание

Количество

|1

708-23-01012

PUMP ASS'Y,(HPV55+55)

|1

708-23-01011

PUMP ASS'Y,(HPV55+55)

|1

708-23-01010

PUMP ASS'Y,(HPV55+55)

|1

708-23-10101

PUMP ASS'Y,(HPV55+55)

|1

708-23-11101

PUMP SUB ASS'Y

|1

708-23-11100

PUMP SUB ASS'Y

|1

708-23-00340

CASE ASS'Y,FRONT

|1

708-23-00081

CASE ASS'Y,FRONT

1

CASE,FRONT

|1

CASE,FRONT

2

PLUG

|2

PLUG

2A

PLUG

|2A

PLUG

3

07044-12412

PLUG

4

07002-02434

O-RING

5

720-68-19870

PLUG

6

07002-01223

O-RING

7

706-73-42370

O-RING

|8

708-23-00360

CRADLE ASS'Y,FRONT

|8

708-23-00110

CRADLE ASS'Y,FRONT

8

CRADLE,FRONT

|8

CRADLE,FRONT

9

CAM,CAM

10

PLUG

11

708-23-14120

SLIDER

12

708-23-12330

JOINT

13

07000-12015

O-RING

14

708-25-12350

BOLT

15

708-23-12340

PLATE

16

708-23-12370

PIN

17

708-23-12350

SCREW

18

01643-30823

WASHER

19

708-23-12751

BEARING

|19

708-23-12750

BEARING

20

708-23-12770

RETAINER

21

708-23-05010

WASHER KIT

|21

WASHER¤ 2.60MM

|21

WASHER¤ 2.70MM

|21

WASHER¤ 2.80MM

|21

WASHER¤ 2.90MM

22

708-23-12840

RING,SNAP

23

06000-51110

BEARING

24

708-23-12910

COLLAR

25

708-23-05020

SHIM KIT

|25

SHIM

|25

SHIM

26

708-23-12851

HOUSING

|26

708-23-12850

HOUSING

27

07000-02065

O-RING

|27

07000-02075

O-RING

28

708-23-12860

SEAL,OIL

29

708-23-05030

SHIM KIT

|29

SHIM

|29

SHIM

|29

SHIM

30

708-23-12660

RING

31

01010-30616

BOLT

32

01643-30623

WASHER

Выбрано товаров: 59