Качественные детали и логистика
Оригинальные и аналоговые запчасти с доставкой по России, Казахстану и Беларуси
©2022 PartSell ООО "Система" ИНН 2463123282 ОГРН 1212400004838
Центральный офис: г. Красноярск, Академика Киренского, д.87, пом.4
Телефон: 8 (800) 777-65-74 Email: zakaz@partsell.ru
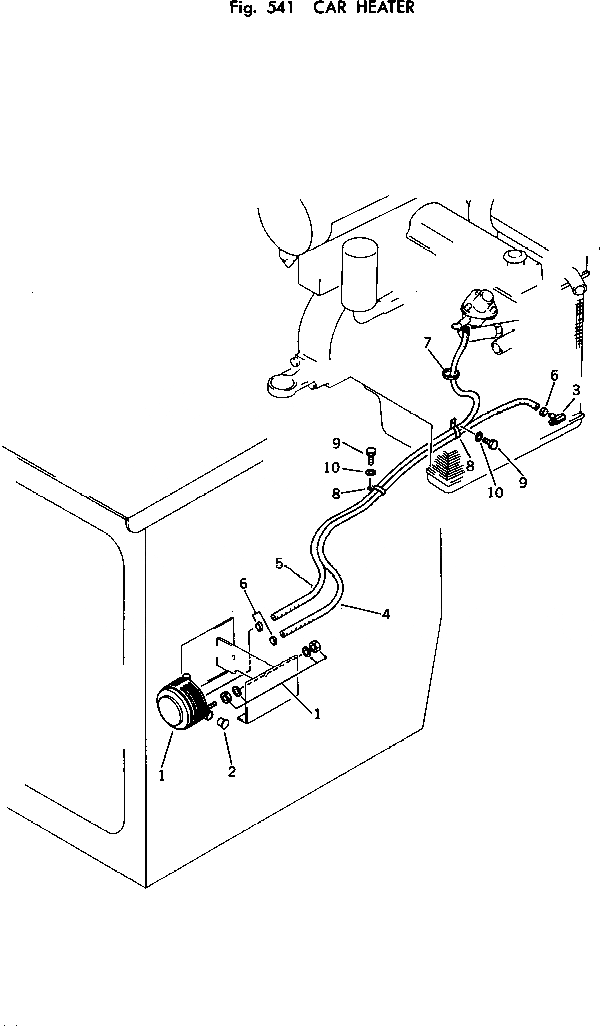
ОБОГРЕВАТЕЛЬ.
№
Артикул
Название
Примечание
Количество
1
09480-02400
HEATER
2
09480-10000
PLUG
3
202-981-1340
JOINT
4
09483-00424
HOSE
5
09483-00423
6
07281-00259
CLAMP
7
08034-00536
BAND
8
154-06-13780
9
01010-31025
BOLT
10
01643-31032
WASHER
Выбрано товаров: 0