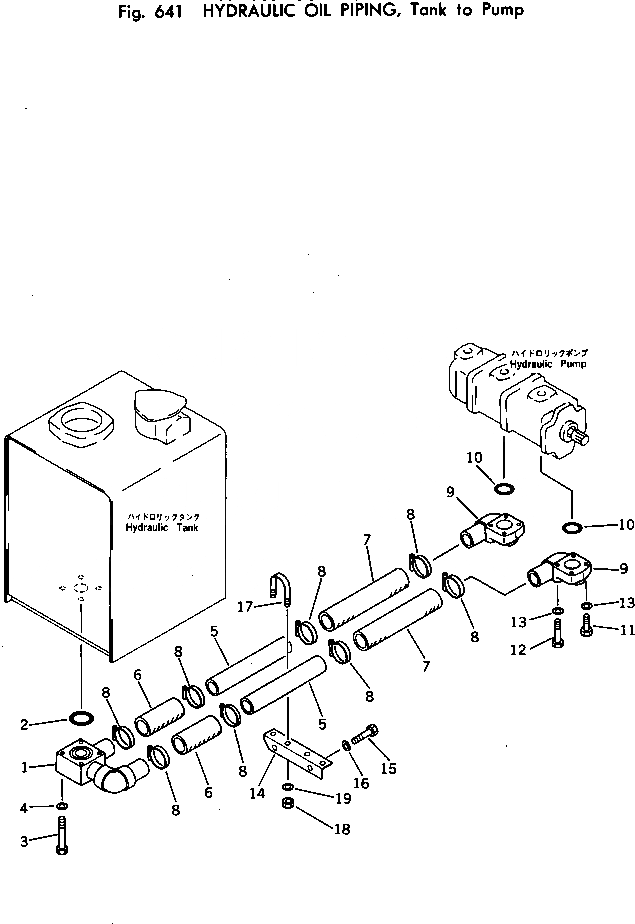
Запчасти Komatsu PC100U-2 ГИДРАВЛ МАСЛОПРОВОДЯЩАЯ ЛИНИЯ¤ ИЗ БАКА В НАСОС УПРАВЛ-Е РАБОЧИМ ОБОРУДОВАНИЕМ

Схема запчастей Komatsu PC100U-2 - ГИДРАВЛ МАСЛОПРОВОДЯЩАЯ ЛИНИЯ¤ ИЗ БАКА В НАСОС УПРАВЛ-Е РАБОЧИМ ОБОРУДОВАНИЕМ
FIT
1:1
100%

Артикул

Название

Примечание

Количество

1

202-62-48411

TUBE

2

07000-02070

O-RING

3

01011-51215

BOLT

4

01643-31232

WASHER

5

202-62-48910

TUBE

6

07260-05814

HOSE

7

07260-05832

HOSE

8

07281-00909

CLAMP

9

203-62-31121

TUBE

10

07000-02060

O-RING

11

01010-51265

BOLT

12

01010-51290

BOLT

13

01643-31232

WASHER

14

202-62-48431

BRACKET

15

01010-51025

BOLT

15

01010-51055

BOLT

16

01643-31032

WASHER

17

07283-26155

CLIP

17

07283-27060

CLIP

18

01599-01011

NUT

19

01643-31032

WASHER

Выбрано товаров: 0