Запчасти Komatsu PC100U-2 КОРПУС ПОВОРОТА СТРЕЛЫ РАБОЧЕЕ ОБОРУДОВАНИЕ

Схема запчастей Komatsu PC100U-2 - КОРПУС ПОВОРОТА СТРЕЛЫ РАБОЧЕЕ ОБОРУДОВАНИЕ
FIT
1:1
100%

Артикул

Название

Примечание

Количество

|$0

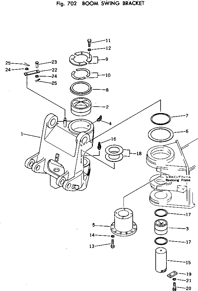
202-70-00100

BRACKET ASS'Y

1

BRACKET

2

202-70-48340

BUSHING

3

202-70-48350

BUSHING

4

07020-00675

FITTING

5

202-70-48530

SHAFT

6

202-70-48420

SPACER

7

202-70-48410

RING

8

201-70-28570

SEAL

9

202-70-48431

COVER

9

202-70-48430

COVER

10

202-70-48440

PLATE

11

01010-51230

BOLT

12

01643-31232

WASHER

13

01010-51450

BOLT

14

01643-31445

WASHER

15

202-70-48360

PIN

16

07020-00675

FITTING

17

07145-00120

SEAL

18

202-70-48390

SPACER, 0.5MM

18

202-70-48380

SPACER, 1.0MM

19

04082-00616

LOCK

20

01010-51640

BOLT

21

01643-31645

WASHER

22

201-60-11240

LINK

23

201-60-11230

PIN

24

01641-21626

WASHER

25

04050-14025

PIN

Выбрано товаров: 0