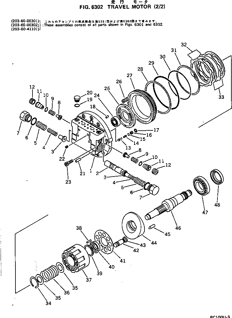
Запчасти Komatsu PC100U-3 МОТОР ХОДА (/) УПРАВЛ-Е РАБОЧИМ ОБОРУДОВАНИЕМ

Схема запчастей Komatsu PC100U-3 - МОТОР ХОДА (/) УПРАВЛ-Е РАБОЧИМ ОБОРУДОВАНИЕМ
FIT
1:1
100%

Артикул

Название

Примечание

Количество

|1

203-60-00302

TRAVEL MOTOR ASS'Y

|1

203-60-00301

TRAVEL MOTOR ASS'Y

|1

203-60-41101

TRAVEL MOTOR ASS'Y

|1

TZ150A2101-00

FLANGE-SPOOL ASS'Y

1

FLANGE,REAR

2

SPOOL

3

TZ200A2052-00

STOPPER

4

TZ200A2056-00

SPRING

5

TZ100A2055-00

SPRING

6

07000-13032

O-RING (KIT)

7

TZ100A2051-00

PLUG

8

TZ150A2054-00

VALVE

9

TZ100A2057-01

SPRING

10

07000-12020

O-RING (KIT)

11

TZ150A2058-00

GUIDE

12

TZ150A2053-00

PLUG

13

TZ430F2019-00

VALVE

14

TZ100A2020-00

SPRING

15

07000-11009

O-RING (KIT)

16

TZ100A2018-00

SEAT,VALVE

17

TZ100A2022-00

RING

18

TZROPP0050-12

PIN,DOWEL

19

07002-02034

O-RING (KIT)

20

TZ100A2021-00

PLUG

21

TZROPP0100-28

PIN,DOWEL

22

TZROHP00001-8

PLUG

23

01252-31440

BOLT

24

06000-06005

BEARING

25

TZ100A2009-00

PLATE,TIMING

26

TZ100A2013-00

SPRING

27

TZ231F2012-00

PISTON

28

TZRSUN2BG170

RING,BACK-UP

29

07000-15170

O-RING (KIT)

30

07000-15145

O-RING (KIT)

31

TZ231F2023-00

RING,BACK-UP

32

TZ100A2016-00

PLATE

33

TZ200A2015-00

DISC

34

TZR01R005520

RING,SNAP

35

TZ150A2010-00

WASHER

36

TZ430F2028-00

SPRING

37

TZ150A2004-00

BLOCK,CYLINDER

38

TZROP0030-30

PIN,DOWEL

39

TZ100A2011-00

WASHER KIT

40

TZ100A2008-00

BALL,THRUST

41

TZ100A2007-00

PLATE,REATINER

|42

TZ430F2102-00

PISTON ASS'Y

42

PISTON

43

SHOE

44

TZ200A2003-00E

PLATE,SWASH

45

TZ150A2017-00

PIN

46

TZ150A2002-00

SHAFT

47

TZ150A2049-00

BEARING

48

TZR00S-487012

SEAL,OIL

|49

TZ150A9000-00

SEAL KIT

|49

O-RING

|49

07000-15260

O-RING

|49

SEAL,FLOATING

|49

07000-11006

O-RING

|49

O-RING

|49

07000-15270

O-RING

|49

07000-13032

O-RING

|49

07000-12020

O-RING

|49

07000-11009

O-RING

|49

RING,BACK-UP

|49

07000-15170

O-RING

|49

07000-15145

O-RING

|49

RING,BACK-UP

|49

SEAL,OIL

Выбрано товаров: 68