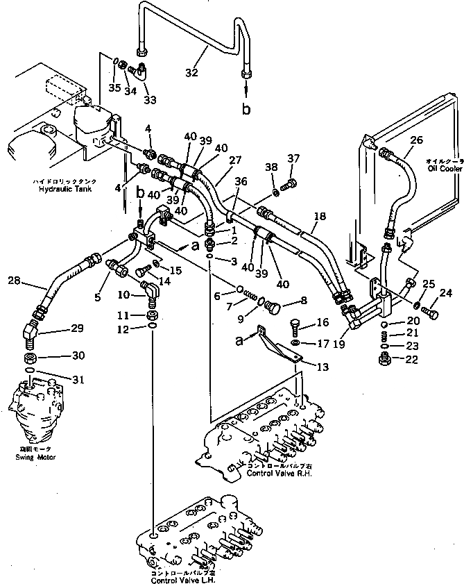
Запчасти Komatsu PC100U-3 ГИДРОЛИНИЯ (ВОЗВРАТ. И МАСЛООХЛАДИТЕЛЬ ЛИНИЯ)(№-) УПРАВЛ-Е РАБОЧИМ ОБОРУДОВАНИЕМ

Схема запчастей Komatsu PC100U-3 - ГИДРОЛИНИЯ (ВОЗВРАТ. И МАСЛООХЛАДИТЕЛЬ ЛИНИЯ)(№-) УПРАВЛ-Е РАБОЧИМ ОБОРУДОВАНИЕМ
FIT
1:1
100%

Артикул

Название

Примечание

Количество

1

07102-20616

HOSE

2

202-62-14170

NIPPLE

3

07002-03334

O-RING

4

07238-00628

CONNECTOR

5

202-62-58311

TUBE

6

04260-02540

BALL

7

150-49-11560

SPRING

8

203-62-31660

PLUG

9

07002-03334

O-RING

10

07232-21034

ELBOW

11

07239-13320

NUT

12

07002-03334

O-RING

13

203-62-45110

BRACKET

14

01010-51020

BOLT

15

01643-31032

WASHER

16

01010-51230

BOLT

17

01643-31232

WASHER

18

07102-20610

HOSE

19

203-62-44471

TUBE

20

04260-02540

BALL

21

150-49-11560

SPRING

22

203-62-31660

PLUG

23

07002-03334

O-RING

24

01010-51020

BOLT

25

01643-31032

WASHER

26

07102-20606

HOSE

27

07102-20614

HOSE

28

203-62-44770

HOSE

29

07234-21034

ELBOW

30

07239-13320

NUT

31

07002-03334

O-RING

32

202-62-58252

ELBOW

33

07232-20522

ELBOW

34

07239-12410

NUT

35

07002-02434

O-RING

36

08036-03014

CLIP

|36

142-06-13540

CLIP

37

01010-51025

BOLT

38

01643-31032

WASHER

39

203-62-41150

COVER

40

08034-00823

BAND

Выбрано товаров: 41