Запчасти Komatsu PC100U-3 ГУСЕНИЧНАЯ РАМА ХОДОВАЯ

Схема запчастей Komatsu PC100U-3 - ГУСЕНИЧНАЯ РАМА ХОДОВАЯ
FIT
1:1
100%

Артикул

Название

Примечание

Количество

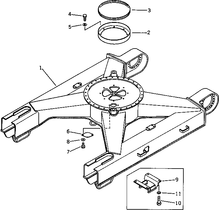
1

203-30-41114

FRAME,TRACK

|1

203-30-41112

FRAME,TRACK

2

203-30-41141

COVER

3

203-30-41150

SEAL

4

01010-51225

BOLT

5

01643-31232

WASHER

6

205-30-67650

COVER

7

01010-51220

BOLT

8

01643-31232

WASHER

9

203-30-41320

GUARD

10

01010-51640

BOLT

11

01643-31645

WASHER

Выбрано товаров: 12