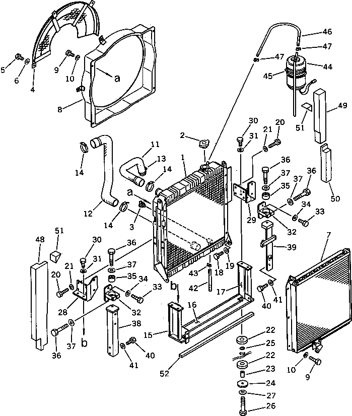
Запчасти Komatsu PC100U-3 РАДИАТОР И МАСЛООХЛАДИТЕЛЬ(№-9) КОМПОНЕНТЫ ДВИГАТЕЛЯ И ЭЛЕКТРИКА

Схема запчастей Komatsu PC100U-3 - РАДИАТОР И МАСЛООХЛАДИТЕЛЬ(№-9) КОМПОНЕНТЫ ДВИГАТЕЛЯ И ЭЛЕКТРИКА
FIT
1:1
100%

Артикул

Название

Примечание

Количество

|1

203-03-00050

RADIATOR ASS'Y

1

203-03-41111

CORE ASS'Y

2

203-03-41280

CAP

3

205-03-62660

PLUG

|3

07000-01007

O-RING

4

203-03-41141

GUARD

5

01010-51020

BOLT

6

01643-31032

WASHER

7

203-03-41380

OIL COOLER ASS'Y

8

203-03-41131

SHROUD

9

01010-50816

BOLT

10

01602-20825

WASHER,SPRING

11

203-03-41211

HOSE

12

203-03-41223

HOSE

13

07281-00489

CLAMP

14

07281-00609

CLAMP

15

203-03-41390

BRACKET

16

203-03-41490

SHEET

17

203-03-41520

SHEET

18

01010-51025

BOLT

19

01643-31032

WASHER

20

01010-50820

BOLT

21

01602-20825

WASHER,SPRING

22

205-03-62680

CUSHION

23

205-03-71330

COLLAR

24

205-03-71340

PLATE

25

07000-03022

O-RING

26

01010-51270

BOLT

27

01643-31232

WASHER

28

203-03-41421

BRACKET

29

203-03-41431

BRACKET

30

01010-51020

BOLT

31

01643-31032

WASHER

32

203-03-41190

BRACKET

33

01010-51025

BOLT

34

01643-31032

WASHER

35

135-03-12110

DAMPER

36

01010-51260

BOLT

37

01643-31232

WASHER

38

203-03-41350

BRACKET

39

203-03-41341

BRACKET

40

01010-51025

BOLT

41

01643-31032

WASHER

42

203-03-41410

HOSE

43

07280-01010

CLAMP

44

203-03-41231

TANK

|44

AM823040-7090

CAP,WITH TUBE

45

07281-01469

CLAMP

46

203-03-41261

HOSE

47

07280-01210

CLAMP

48

203-03-41451

SHEET

49

203-03-41461

SHEET

50

203-03-41471

SHEET

51

203-03-41480

SHEET

52

203-03-41510

SHEET

Выбрано товаров: 55