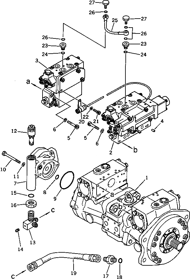
Запчасти Komatsu PC100U-3 ГИДР. НАСОС. БЛОК УПРАВЛ-Е РАБОЧИМ ОБОРУДОВАНИЕМ

Схема запчастей Komatsu PC100U-3 - ГИДР. НАСОС. БЛОК УПРАВЛ-Е РАБОЧИМ ОБОРУДОВАНИЕМ
FIT
1:1
100%

Артикул

Название

Примечание

Количество

|1

708-23-10101

PUMP ASS'Y (HPV55+55)

1

708-23-11100

PUMP SUB ASS'Y

2

708-23-15100

SERVO VALVE ASS'Y,FRONT

3

708-23-16100

SERVO VALVE ASS'Y,REAR

4

04020-00616

PIN,DOWEL

5

07000-03048

O-RING

6

708-25-19130

BOLT

7

01602-20825

WASHER,SPRING

8

704-24-26401

PUMP ASS'Y

9

07000-02018

O-RING

10

07000-02075

O-RING

11

01010-51085

BOLT

12

01602-21030

WASHER,SPRING

13

708-23-14800

VALVE ASS'Y

14

708-23-19110

ELBOW

15

07042-30108

PLUG

16

07002-02434

O-RING

17

07239-12410

NUT

18

07230-10315

UNION

19

07002-02034

O-RING

20

07102-20303

HOSE

21

08036-21814

CLIP

22

706-46-53260

PLUG

23

07002-01423

O-RING

24

708-23-19120

TUBE

25

07000-02012

O-RING

26

706-46-53180

BOLT,EYE

Выбрано товаров: 27