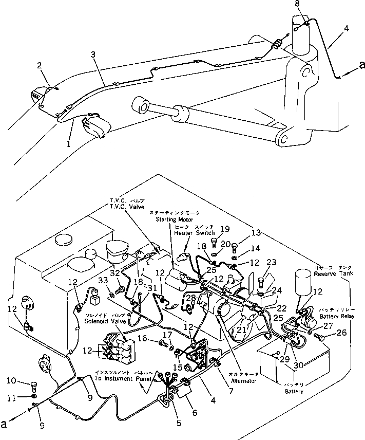
Запчасти Komatsu PC100U-3 ЭЛЕКТРИКА (ЭЛЕКТРОПРОВОДКА)(№-9) КОМПОНЕНТЫ ДВИГАТЕЛЯ И ЭЛЕКТРИКА

Схема запчастей Komatsu PC100U-3 - ЭЛЕКТРИКА (ЭЛЕКТРОПРОВОДКА)(№-9) КОМПОНЕНТЫ ДВИГАТЕЛЯ И ЭЛЕКТРИКА
FIT
1:1
100%

Артикул

Название

Примечание

Количество

1

202-06-58110

WIRE

2

202-06-58120

WIRE

3

202-06-48140

WIRE

4

202-06-58132

WIRE ASS'Y

5

176-911-4160

GROMMET

6

203-06-41550

GROMMET

7

150-952-7160

GROMMET

8

08035-01510

CLIP

9

08035-01514

CLIP

10

01010-51220

BOLT

11

01643-31232

WASHER

12

08036-01814

CLIP

13

01010-51020

BOLT

14

01643-31032

WASHER

15

08036-10814

CLIP

16

01010-51020

BOLT

17

01643-31232

WASHER

18

08036-10614

CLIP

19

01010-51020

BOLT

20

01643-31032

WASHER

21

08036-01414

CLIP

22

08036-11214

CLIP

23

01010-51020

BOLT

24

01643-31032

WASHER

25

08036-01414

CLIP

26

01010-51020

BOLT

27

01643-31032

WASHER

28

08038-00519

CAP

29

203-04-31230

COVER

30

08034-00519

BAND

31

08028-12025

CABLE

32

01010-51016

BOLT

33

01643-31032

WASHER

Выбрано товаров: 0