Запчасти Komatsu PC100U-3 МЕХ-М УПРАВЛ-Я РАБОЧ. ОБОРУД-EM (ДЛЯ WRIST УПРАВЛ-Е)(№-) СИСТЕМА УПРАВЛЕНИЯ И ОСНОВНАЯ РАМА

Схема запчастей Komatsu PC100U-3 - МЕХ-М УПРАВЛ-Я РАБОЧ. ОБОРУД-EM (ДЛЯ WRIST УПРАВЛ-Е)(№-) СИСТЕМА УПРАВЛЕНИЯ И ОСНОВНАЯ РАМА
FIT
1:1
100%

Артикул

Название

Примечание

Количество

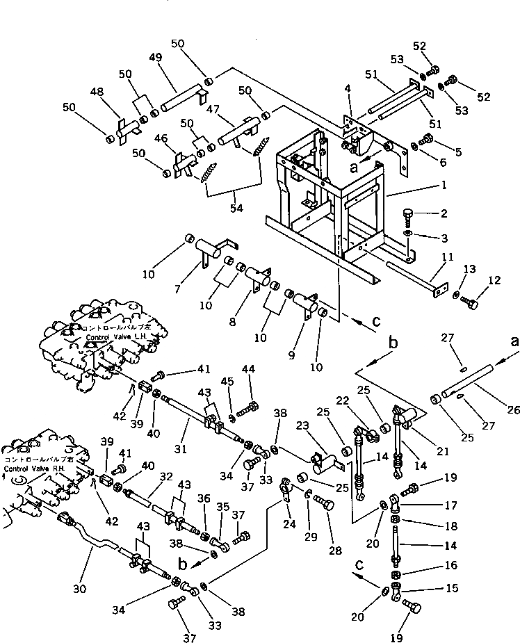
1

202-43-58260

BRACKET

2

01010-51225

BOLT

3

01643-31232

WASHER

4

202-43-58270

WASHER

5

01010-51025

BOLT

6

01643-31032

WASHER

7

202-43-58280

BEARING

8

203-43-42962

LEVER

9

203-43-42972

LEVER

10

195-61-34130

BEARING

11

203-43-42950

SHAFT

12

01010-51020

BOLT

13

01643-31032

WASHER

14

04248-31028

ROD

15

04250-41056

END,ROD

16

01582-11008

NUT

17

04250-61056

END,ROD, L.H. THREAD

18

01508-21006

NUT,L.H. THREAD

19

01010-51030

BOLT

20

01643-31032

WASHER

21

202-43-58290

ROD

22

203-43-42991

LEVER

23

203-43-43112

LEVER

24

203-43-43121

LEVER

25

195-61-34130

BEARING

26

203-43-42980

SHAFT

27

04010-00519

KEY

28

01010-50830

BOLT

29

01602-20825

WASHER,SPRING

30

203-43-43160

ROD

31

203-43-43170

ROD

32

202-43-58330

ROD

33

04250-41056

END,ROD

34

01582-11008

NUT

35

04250-61056

END,L.H. THREAD

36

01508-21006

NUT,L.H. THREAD

37

01010-51030

BOLT

38

01643-31032

WASHER

39

20T-43-22210

YOKE

40

01582-11008

NUT

41

07205-10822

JOINT

42

04050-12012

PIN,COTTER

43

203-43-42542

PLATE

44

01010-50825

BOLT

45

01602-20825

WASHER,SPRING

46

203-43-42551

LEVER,L.H.

47

202-43-58310

PIN

48

203-43-42561

LEVER,L.H.

49

202-43-58320

PIN

50

203-43-31420

BUSHING

51

203-43-42530

SHAFT

52

01010-51020

BOLT

53

01643-31032

WASHER

54

203-43-43230

SPRING

Выбрано товаров: 0