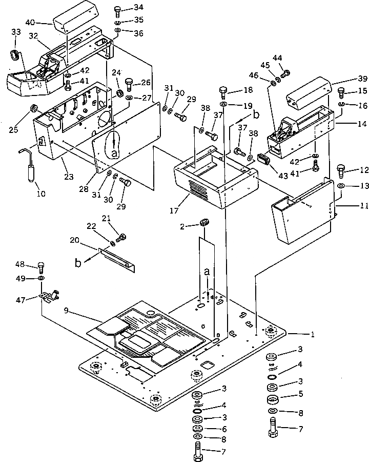
Запчасти Komatsu PC100U-3 ОСНОВН. КОНСТРУКЦИЯ (ДЛЯ WRIST УПРАВЛ-Е)(№-) ЧАСТИ КОРПУСА

Схема запчастей Komatsu PC100U-3 - ОСНОВН. КОНСТРУКЦИЯ (ДЛЯ WRIST УПРАВЛ-Е)(№-) ЧАСТИ КОРПУСА
FIT
1:1
100%

Артикул

Название

Примечание

Количество

1

202-54-58350

FRAME,FLOOR

2

176-911-4160

GROMMET

3

203-54-21110

CUSHION

4

07000-03035

O-RING

5

201-54-21860

COLLAR

6

205-54-51950

PLATE

7

01010-51675

BOLT

8

01643-31645

WASHER

9

202-54-58360

MAT,FLOOR

10

203-54-41412

PIN

11

203-54-41534

BOX,L.H.

12

01010-51225

BOLT

13

01643-31032

WASHER

14

203-54-41134

BOX,L.H.

15

01010-50820

BOLT

16

01602-20825

WASHER

17

203-54-41113

BRACKET

18

01010-51230

BOLT

19

01643-31232

WASHER

20

21K-54-25211

COVER

21

01010-51020

BOLT

22

01643-31032

WASHER

23

203-54-41523

BOX,R.H.

24

08037-03614

GROMMET

25

08037-03614

GROMMET

26

01010-51025

BOLT

27

01643-31032

WASHER

28

203-54-41193

COVER

29

01010-50612

BOLT

30

01602-20619

WASHER,SPRING

31

01640-20610

WASHER

32

203-54-41125

BOX,R.H.

33

203-54-41570

GROMMET

34

01010-50820

BOLT

35

01602-20825

WASHER,SPRING

36

01643-30823

WASHER

37

01010-51025

BOLT

38

01643-31032

WASHER

39

203-54-41182

CUSHION,L.H.

40

203-54-41172

CUSHION,R.H.

41

01010-50820

BOLT

42

01602-20825

WASHER,SPRING

43

205-54-72240

ASHTRAY

44

01220-40410

SCREW

45

01601-20410

WASHER,SPRING

46

134-06-22130

WASHER

47

202-43-58250

HINGE

48

01010-50820

BOLT

49

01643-30823

WASHER

Выбрано товаров: 49