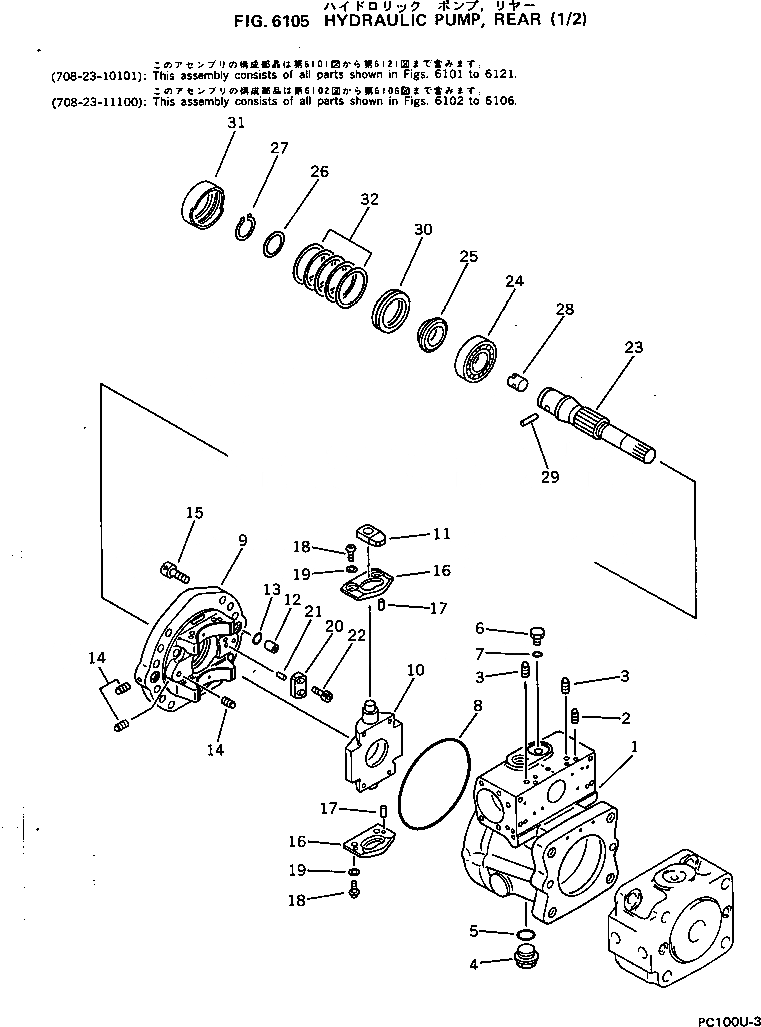
Запчасти Komatsu PC100U-3 ГИДР. НАСОС.¤ ЗАДН. (/) УПРАВЛ-Е РАБОЧИМ ОБОРУДОВАНИЕМ

Схема запчастей Komatsu PC100U-3 - ГИДР. НАСОС.¤ ЗАДН. (/) УПРАВЛ-Е РАБОЧИМ ОБОРУДОВАНИЕМ
FIT
1:1
100%

Артикул

Название

Примечание

Количество

|$0

708-23-10101

PUMP ASS'Y (HPV55+55)

|$1

708-23-11100

PUMP SUB ASS'Y

1

CASE,REAR

2

PLUG

3

PLUG

4

07044-12412

PLUG

5

07002-02434

O-RING

6

720-68-19870

PLUG

7

07002-01223

O-RING

8

O-RING

9

CRADLE ASS'Y

9

CRADLE,REAR

10

CAM,CAM

11

SLIDER

12

JOINT

13

O-RING

14

PLUG

15

BOLT

16

PLATE

17

PIN

18

SCREW

19

WASHER

20

STOPPER

21

PIN,DOWEL

22

BOLT

23

SHAFT

24

BEARING

25

RETAINER

26

WASHER KIT

26

WASHER, 2.60MM

26

WASHER, 2.70MM

26

WASHER, 2.80MM

26

WASHER, 2.90MM

27

RING,SNAP

28

COUPLING

29

PIN

30

BEARING

31

RETAINER

32

SHIM KIT

32

SHIM

32

SHIM

32

SHIM

Выбрано товаров: 42