Запчасти Komatsu PC100US-3 ПАНЕЛЬ ПРИБОРОВ (ДЛЯ WRIST УПРАВЛ-Е) (БЕЗ АВТОМ. ЗАМЕДЛЕНИЕ ОБОРОТОВ) (БЕЗ ПОВОРОТН. МЕХАНИЧ. ТОРМОЗ.)(№-.) КОМПОНЕНТЫ ДВИГАТЕЛЯ И ЭЛЕКТРИКА

Схема запчастей Komatsu PC100US-3 - ПАНЕЛЬ ПРИБОРОВ (ДЛЯ WRIST УПРАВЛ-Е) (БЕЗ АВТОМ. ЗАМЕДЛЕНИЕ ОБОРОТОВ) (БЕЗ ПОВОРОТН. МЕХАНИЧ. ТОРМОЗ.)(№-.) КОМПОНЕНТЫ ДВИГАТЕЛЯ И ЭЛЕКТРИКА
FIT
1:1
100%

Артикул

Название

Примечание

Количество

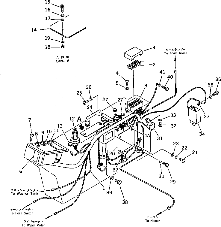
1

203-06-41676

WIRE ASS'Y

1A

22W-06-13590

DIODE

2

205-06-73180

FUSE, 15A

3

205-06-71480

FUSE BOX

4

01220-40616

SCREW

5

01643-30623

WASHER

6

7861-21-1101

PANEL ASS'Y

7

01220-40616

SCREW

8

205-06-71311

SWITCH,MODE

9

205-06-71321

SWITCH,HEATER

10

205-06-71331

SWITCH,LAMP

11

205-06-71341

SWITCH,WIPER

12

201-06-21510

SWITCH,STARTING

13

09415-01610

CAP

14

203-06-31160

PLATE

15

205-06-62170

BOLT

16

205-06-62180

WASHER,SPRING

17

205-06-62190

WASHER

18

01580-10403

NUT

19

145-Z79-6630

WASHER

20

205-06-72181

COVER

21

01220-40410

SCREW

22

01601-20410

WASHER,SPRING

23

01641-20405

WASHER

24

203-06-41930

LIGHTER

25

01220-40412

SCREW

26

01601-20410

WASHER,SPRING

27

09415-00706

CAP

28

7861-01-3000

CONTROLLER ASS'Y

29

01010-50616

BOLT

30

01602-20619

WASHER,SPRING

31

203-06-41920

BUZZER

32

01220-40612

SCREW

33

01602-20619

WASHER,SPRING

34

203-06-41790

RESISTOR

35

01010-50816

BOLT

36

01643-30823

WASHER

37

08036-01814

CLIP

38

01010-51016

BOLT

39

01602-21030

WASHER,SPRING

40

01010-50610

BOLT

41

01602-20619

WASHER,SPRING

Выбрано товаров: 42