Запчасти Komatsu PC100US-3 ПРУЖИНА(№-) ХОДОВАЯ

Схема запчастей Komatsu PC100US-3 - ПРУЖИНА(№-) ХОДОВАЯ
FIT
1:1
100%

Артикул

Название

Примечание

Количество

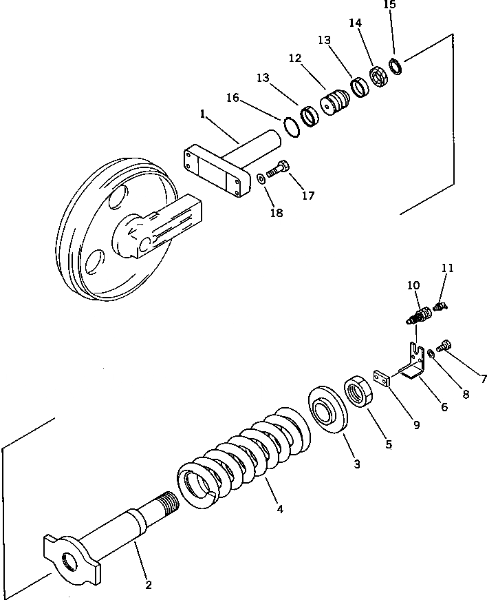
1

203-30-42192

YOKE

2

203-30-42212

CYLINDER

3

203-30-42231

PILOT

4

203-30-42241

SPRING,RECOIL

5

203-30-34220

NUT

6

203-30-42251

LOCK

7

01010-50830

BOLT

8

01643-30823

WASHER

9

201-30-52280

SEAT

10

203-30-42260

VALVE

11

07020-00900

FITTING,GREASE

12

203-30-42220

PISTON

13

07155-00720

RING,WEAR

14

09370-00070

U-PACKING

15

04064-04518

RING,SNAP

16

07000-05070

O-RING

17

01010-51675

BOLT

18

01643-31645

WASHER

Выбрано товаров: 0