Запчасти Komatsu PC100US-3 ОСНОВНАЯ РАМА СИСТЕМА УПРАВЛЕНИЯ И ОСНОВНАЯ РАМА

Схема запчастей Komatsu PC100US-3 - ОСНОВНАЯ РАМА СИСТЕМА УПРАВЛЕНИЯ И ОСНОВНАЯ РАМА
FIT
1:1
100%

Артикул

Название

Примечание

Количество

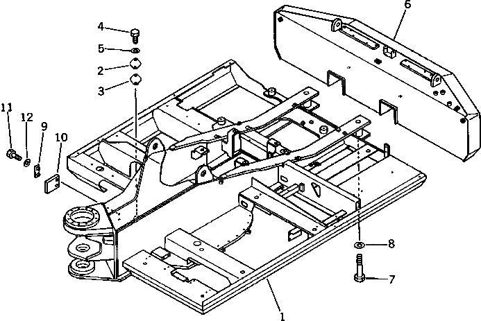
1

202-46-58140

FRAME,REVOLVING

2

203-46-31131

COVER

3

203-46-31181

GASKET

4

01010-51230

BOLT

5

01643-31232

WASHER

6

203-46-41212

WEIGHT,COUNTER

7

203-46-31221

BOLT

8

01643-33690

WASHER

9

201-46-28230

PLATE

10

201-46-28240

SEAT

11

01010-51035

BOLT

12

01643-31032

WASHER

Выбрано товаров: 0