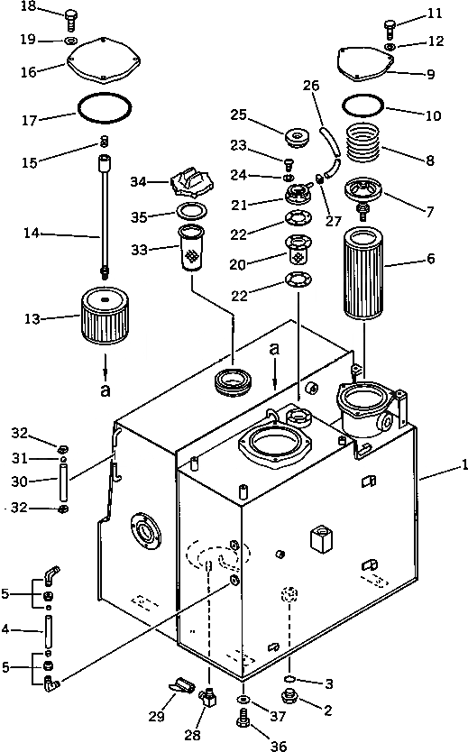
Запчасти Komatsu PC100US-3 ГИДРАВЛ МАСЛ. БАК(№-9) УПРАВЛ-Е РАБОЧИМ ОБОРУДОВАНИЕМ

Схема запчастей Komatsu PC100US-3 - ГИДРАВЛ МАСЛ. БАК(№-9) УПРАВЛ-Е РАБОЧИМ ОБОРУДОВАНИЕМ
FIT
1:1
100%

Артикул

Название

Примечание

Количество

|$0

202-60-00200

HYDRAULIC TANK ASS'Y

1

202-60-58110

TANK

2

07044-13620

PLUG,OIL DRAIN

3

07002-03634

O-RING

4

203-60-31160

TUBE

5

203-60-31100

ELBOW ASS'Y

6

175-60-27380

ELEMENT

7

175-60-27300

VALVE ASS'Y

8

175-60-27340

SPRING

9

203-60-31172

COVER

10

07000-05155

O-RING

11

01010-51025

BOLT

12

01643-31032

WASHER

13

21K-60-11190

STRAINER

14

202-60-58120

ROD

15

12R-60-11230

SPRING

16

21K-60-11180

COVER

17

07000-05180

O-RING

18

01010-51025

BOLT

19

01643-31032

WASHER

20

205-60-51480

SCREEN

21

201-60-12171

FILLER NECK

22

205-60-51460

GASKET

23

01220-40516

SCREW

24

01601-20513

WASHER,SPRING

25

201-60-12190

CAP ASS'Y

26

203-60-12170

TUBE

27

07280-01110

CLAMP

28

20D-68-11670

ELBOW

29

07700-40240

VALVE,FUEL DRAIN

30

203-60-42180

TUBE

31

201-04-21160

BALL,FLOAT

32

07281-00197

CLAMP

33

07056-18416

STRAINER

34

07050-21200

CAP

34

07091-11200

CAP,(FOR VANDALISM)

35

07050-21202

GASKET

36

01010-51435

BOLT

37

01643-31445

WASHER

Выбрано товаров: 39