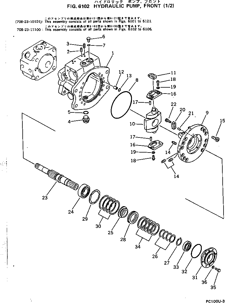
Запчасти Komatsu PC100US-3 ГИДР. НАСОС.¤ ПЕРЕДН. (/) УПРАВЛ-Е РАБОЧИМ ОБОРУДОВАНИЕМ

Схема запчастей Komatsu PC100US-3 - ГИДР. НАСОС.¤ ПЕРЕДН. (/) УПРАВЛ-Е РАБОЧИМ ОБОРУДОВАНИЕМ
FIT
1:1
100%

Артикул

Название

Примечание

Количество

|1

708-23-10101

PUMP ASS'Y (HPV55+55)

|1

708-23-11100

PUMP SUB ASS'Y

1

CASE,FRONT

2

PLUG

3

PLUG

4

07044-12412

PLUG

5

07002-02434

O-RING

6

720-68-19870

PLUG

7

07002-01223

O-RING

8

O-RING

|9

CRADLE ASS'Y

9

CRADLE,FRONT

10

CAM,CAM

11

SLIDER

12

JOINT

13

O-RING

14

PLUG

15

BOLT

16

PLATE

17

PIN

18

SCREW

19

WASHER

20

STOPPER

21

PIN,DOWEL

22

BOLT

23

SHAFT

24

BEARING

25

RETAINER

26

WASHER KIT

|26

WASHER¤ 2.60MM

|26

WASHER¤ 2.70MM

|26

WASHER¤ 2.80MM

|26

WASHER¤ 2.90MM

27

RING,SNAP

28

BEARING

29

COLLAR

30

SHIM KIT

|30

SHIM

|30

SHIM

31

HOUSING

32

07000-02075

O-RING

33

708-23-12860

SEAL,OIL

34

SHIM KIT

|34

SHIM

|34

SHIM

|34

SHIM

35

01010-50616

BOLT

36

01643-30623

WASHER

Выбрано товаров: 0