Запчасти Komatsu PC100US-3 ПАНЕЛЬ ПРИБОРОВ (ДЛЯ УДЛИНН. РЫЧАГ УПРАВЛ-Е)(АВТОМ. ЗАМЕДЛЕНИЕ ОБОРОТОВ)(С ПОВОРОТН. МЕХАНИЧ. ТОРМОЗ.)(№-.) КОМПОНЕНТЫ ДВИГАТЕЛЯ И ЭЛЕКТРИКА

Схема запчастей Komatsu PC100US-3 - ПАНЕЛЬ ПРИБОРОВ (ДЛЯ УДЛИНН. РЫЧАГ УПРАВЛ-Е)(АВТОМ. ЗАМЕДЛЕНИЕ ОБОРОТОВ)(С ПОВОРОТН. МЕХАНИЧ. ТОРМОЗ.)(№-.) КОМПОНЕНТЫ ДВИГАТЕЛЯ И ЭЛЕКТРИКА
FIT
1:1
100%

Артикул

Название

Примечание

Количество

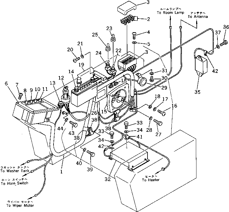
1

203-06-41517

WIRE ASS'Y

1A

22W-06-13590

DIODE

2

205-06-73180

FUSE¤ 15A

3

205-06-71480

BOX,FUSE

4

01220-40616

SCREW

5

01643-30623

WASHER

6

7861-21-1101

PANEL ASS'Y

7

01220-40616

SCREW

8

205-06-71311

SWITCH,MODE

9

205-06-71321

SWITCH,HEATER

10

205-06-71331

SWITCH,LAMP

11

205-06-71341

SWITCH,WIPER

12

201-06-21510

SWITCH,STARTING

13

203-06-41810

LAMP,PARKING BRAKE

|13

08111-02430

BULB¤ 3W

14

203-06-42110

RADIO

15

20G-06-15120

SPEAKER

16

01220-40420

SCREW

17

01601-20410

WASHER,SPRING

18

01641-20405

WASHER

19

203-06-41930

LIGHTER

20

01220-40412

SCREW

21

01601-20410

WASHER,SPRING

22

203-06-41860

SWITCH,AUTO DECELERATION

23

203-06-41610

CAP

24

203-06-41570

SWITCH,PARKING BRAKE

25

203-06-41680

CAP

26

7861-72-3000

CONTROLLER ASS'Y

27

01010-50616

BOLT

28

01602-20619

WASHER,SPRING

29

203-06-41920

BUZZER

30

01220-40612

SCREW

31

01602-20619

WASHER,SPRING

32

21K-06-21150

BOX

33

01010-50816

BOLT

34

01643-30823

WASHER

35

203-06-41790

RESISTOR

36

01010-50816

BOLT

37

01643-30823

WASHER

38

08036-01814

CLIP

39

01010-51016

BOLT

40

01602-21030

WASHER,SPRING

41

08036-03014

CLIP

42

08036-01814

CLIP,SPRING

43

01010-50610

BOLT

44

01602-20619

WASHER,SPRING

Выбрано товаров: 46