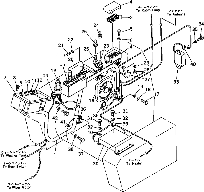
Запчасти Komatsu PC100US-3 ПАНЕЛЬ ПРИБОРОВ (ДЛЯ УДЛИНН. РЫЧАГ УПРАВЛ-Е)(АВТОМ. ЗАМЕДЛЕНИЕ ОБОРОТОВ)(С ПОВОРОТН. МЕХАНИЧ. ТОРМОЗ.)(№.-) КОМПОНЕНТЫ ДВИГАТЕЛЯ И ЭЛЕКТРИКА

Схема запчастей Komatsu PC100US-3 - ПАНЕЛЬ ПРИБОРОВ (ДЛЯ УДЛИНН. РЫЧАГ УПРАВЛ-Е)(АВТОМ. ЗАМЕДЛЕНИЕ ОБОРОТОВ)(С ПОВОРОТН. МЕХАНИЧ. ТОРМОЗ.)(№.-) КОМПОНЕНТЫ ДВИГАТЕЛЯ И ЭЛЕКТРИКА
FIT
1:1
100%

Артикул

Название

Примечание

Количество

1

203-06-41518

WIRE ASS'Y

2

22W-06-13590

DIODE

3

205-06-73180

FUSE¤ 15A

4

205-06-71480

BOX,FUSE

5

01220-40616

SCREW

6

01643-30623

WASHER

7

7831-72-2000

PANEL ASS'Y

8

01220-40616

SCREW

9

205-06-71311

SWITCH,MODE

10

205-06-71321

SWITCH,HEATER

11

205-06-71331

SWITCH,LAMP

12

205-06-71341

SWITCH,WIPER

13

201-06-21510

SWITCH,STARTING

14

203-06-41810

LAMP,PARKING BRAKE

|14

08111-02430

BULB¤ 3W

15

203-06-42110

RADIO

16

20G-06-15120

SPEAKER

17

01220-40420

SCREW

18

01601-20410

WASHER,SPRING

19

01641-20405

WASHER

20

203-06-41930

LIGHTER

21

01220-40412

SCREW

22

01601-20410

WASHER,SPRING

23

203-06-41860

SWITCH,AUTO DECELERATION

24

203-06-41610

CAP

25

203-06-41570

SWITCH,PARKING BRAKE

26

203-06-41680

CAP

27

203-06-41920

BUZZER

28

01220-40612

SCREW

29

01602-20619

WASHER,SPRING

30

21K-06-21150

BOX

31

01010-50816

BOLT

32

01643-30823

WASHER

33

203-06-41790

RESISTOR

34

01010-50816

BOLT

35

01643-30823

WASHER

36

08036-01814

CLIP

37

01010-51016

BOLT

38

01602-21030

WASHER,SPRING

39

08036-03014

CLIP

40

08036-01814

CLIP,SPRING

41

01010-50610

BOLT

42

01602-20619

WASHER,SPRING

Выбрано товаров: 43