Запчасти Komatsu PC100US-3 ПАНЕЛЬ ПРИБОРОВ (ДЛЯ WRIST УПРАВЛ-Е) (БЕЗ АВТОМ. ЗАМЕДЛЕНИЕ ОБОРОТОВ) (БЕЗ ПОВОРОТН. МЕХАНИЧ. ТОРМОЗ.)(№.-) КОМПОНЕНТЫ ДВИГАТЕЛЯ И ЭЛЕКТРИКА

Схема запчастей Komatsu PC100US-3 - ПАНЕЛЬ ПРИБОРОВ (ДЛЯ WRIST УПРАВЛ-Е) (БЕЗ АВТОМ. ЗАМЕДЛЕНИЕ ОБОРОТОВ) (БЕЗ ПОВОРОТН. МЕХАНИЧ. ТОРМОЗ.)(№.-) КОМПОНЕНТЫ ДВИГАТЕЛЯ И ЭЛЕКТРИКА
FIT
1:1
100%

Артикул

Название

Примечание

Количество

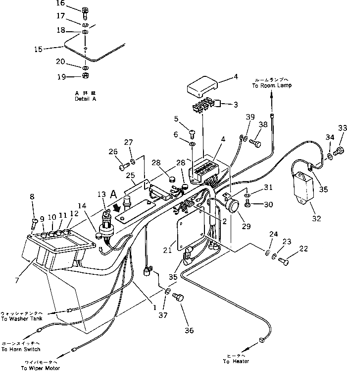
1

203-06-41677

WIRE ASS'Y

2

22W-06-13590

DIODE

3

205-06-73180

FUSE¤ 15A

4

205-06-71480

BOX,FUSE

5

01220-40616

SCREW

6

01643-30623

WASHER

7

7831-72-2000

PANEL ASS'Y

8

01220-40616

SCREW

9

205-06-71311

SWITCH,MODE

10

205-06-71321

SWITCH,HEATER

11

205-06-71331

SWITCH,LAMP

12

205-06-71341

SWITCH,WIPER

13

201-06-21510

SWITCH,STARTING

14

09415-01610

CAP

15

203-06-31160

PLATE

16

205-06-62170

BOLT

17

205-06-62180

WASHER,SPRING

18

205-06-62190

WASHER

19

01580-10403

NUT

20

145-Z79-6630

WASHER

21

205-06-72181

COVER

22

01220-40410

SCREW

23

01601-20410

WASHER,SPRING

24

01641-20405

WASHER

25

203-06-41930

LIGHTER

26

01220-40412

SCREW

27

01601-20410

WASHER,SPRING

28

09415-00706

CAP

29

203-06-41920

BUZZER

30

01220-40612

SCREW

31

01602-20619

WASHER,SPRING

32

203-06-41790

RESISTOR

33

01010-50816

BOLT

34

01643-30823

WASHER

35

08036-01814

CLIP

36

01010-51016

BOLT

37

01602-21030

WASHER,SPRING

38

01010-50610

BOLT

39

01602-20619

WASHER,SPRING

Выбрано товаров: 39