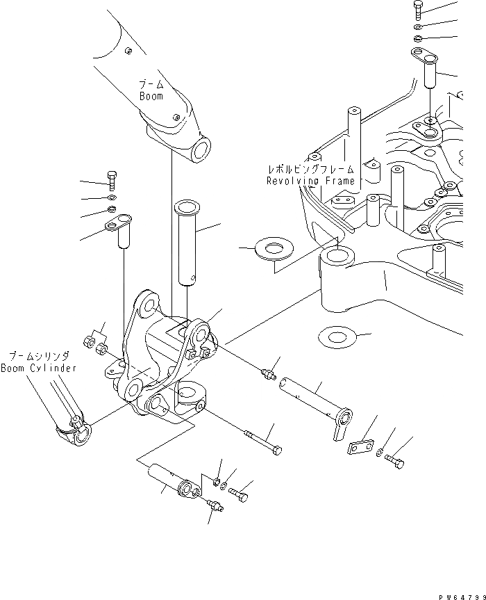
Запчасти Komatsu PC10MR-1-A КОРПУС ПОВОРОТА СТРЕЛЫ ОСНОВНАЯ РАМА И ЕЕ ЧАСТИ

Схема запчастей Komatsu PC10MR-1-A - КОРПУС ПОВОРОТА СТРЕЛЫ ОСНОВНАЯ РАМА И ЕЕ ЧАСТИ
1
2
3
4
5
6
7
8
9
10
11
12
13
13
14
14
14
15
15
15
16
16
16
17
FIT
1:1
100%

Артикул

Название

Примечание

Количество

1

22J-70-11412

BRACKET,SWING

2

22J-70-11422

PIN

3

01011-81010

BOLT

4

01580-11008

NUT

5

22J-70-11431

PLATE

6

22J-70-11161

PIN

7

07020-00000

FITTING,GREASE

8

20M-70-61120

PLATE

9

01010-81020

BOLT

10

01643-31032

WASHER

11

22J-70-11172

PIN

12

07020-00000

FITTING,GREASE

13

22J-70-11511

PIN

|13

22J-70-11510

PIN

14

22J-70-11550

COLLAR

15

01010-81020

BOLT

16

01643-31032

WASHER

17

22J-70-11450

SPACER¤ 0.8MM

|17

22J-70-11440

SPACER¤ 0.5MM

|17

22J-70-11440

SPACER¤ 0.5MM

Выбрано товаров: 0