Запчасти Komatsu PC10MR-1-B ОСНОВН. УПРАВЛ-Е (ОСНОВН. КОРПУС И РЫЧАН УПРАВЛ-Я ХОДОМ)(№7-) КАБИНА ОПЕРАТОРА И СИСТЕМА УПРАВЛЕНИЯ

Схема запчастей Komatsu PC10MR-1-B - ОСНОВН. УПРАВЛ-Е (ОСНОВН. КОРПУС И РЫЧАН УПРАВЛ-Я ХОДОМ)(№7-) КАБИНА ОПЕРАТОРА И СИСТЕМА УПРАВЛЕНИЯ
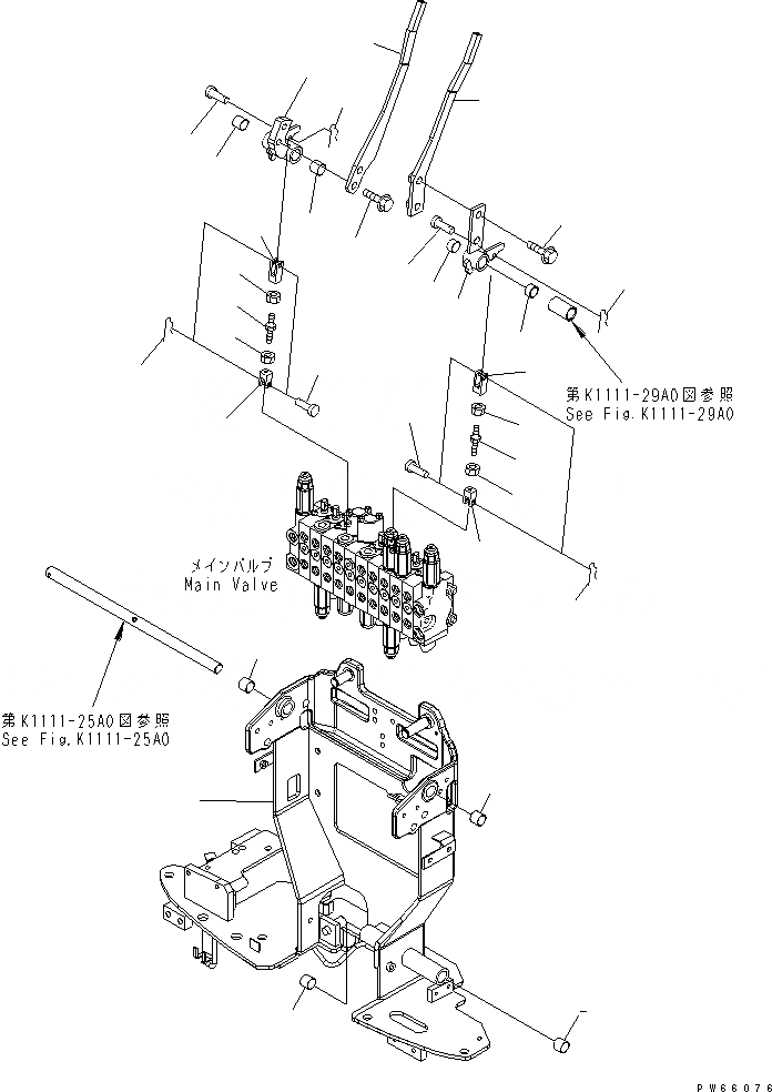
1
2
2
2
2
3
4
4
5
6
7
8
8
9
10
11
11
12
12
13
13
14
14
15
15
16
16
16
16
17
17
17
17
FIT
1:1
100%

Артикул

Название

Примечание

Количество

1

22J-43-12310

BRACKET,MAIN

2

09350-01615

BUSHING

3

21S-43-32111

LEVER

4

20A-43-11280

BUSHING

5

21S-43-32122

LEVER

6

01435-01020

BOLT

7

21S-43-32131

LEVER

8

09350-01615

BUSHING

9

21S-43-32142

LEVER,R.H

10

01435-01020

BOLT

11

21S-43-31230

YOKE

12

01580-10605

NUT

13

21S-43-31241

YOKE

14

21S-43-31250

ROD

15

01508-40603

NUT¤ L.H. THREAD

16

21S-43-31260

PIN

17

04050-11210

PIN

Выбрано товаров: 0