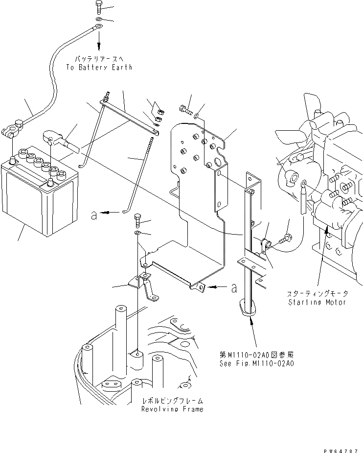
Запчасти Komatsu PC10MR-1 АККУМУЛЯТОР И ЭЛЕКТРОПРОВОДКА ЭЛЕКТРИКА

Схема запчастей Komatsu PC10MR-1 - АККУМУЛЯТОР И ЭЛЕКТРОПРОВОДКА ЭЛЕКТРИКА
1
2
3
3
4
5
6
7
8
9
10
11
12
13
13
14
14
15
16
17
FIT
1:1
100%

Артикул

Название

Примечание

Количество

1

22J-06-11160

BATTERY

2

22J-06-11142

HOLDER

3

20N-06-78130

ROD

4

01580-10605

NUT

5

01643-30623

WASHER

6

22J-06-11122

CABLE

|6

22J-06-15130

CAP

7

08038-04030

CAP

8

22J-06-11130

CABLE

9

01010-80816

BOLT

10

01643-30823

WASHER

11

22J-06-11112

BRACKET

12

22J-06-11180

BRACKET

13

01010-80816

BOLT

14

01643-30823

WASHER

15

07095-20213

CUSHION

16

04434-51908

CLIP

17

01435-00816

BOLT

Выбрано товаров: 18