Запчасти Komatsu PC10MR-1 ОСНОВН. УПРАВЛ-Е (УПРАВЛЕНИЕ ПОВОРОТОМ СТРЕЛЫ ПЕДАЛЬ)(№-99) КАБИНА ОПЕРАТОРА И СИСТЕМА УПРАВЛЕНИЯ

Схема запчастей Komatsu PC10MR-1 - ОСНОВН. УПРАВЛ-Е (УПРАВЛЕНИЕ ПОВОРОТОМ СТРЕЛЫ ПЕДАЛЬ)(№-99) КАБИНА ОПЕРАТОРА И СИСТЕМА УПРАВЛЕНИЯ
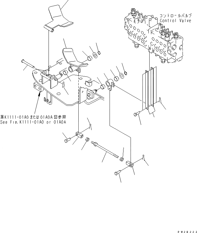
1
2
2
3
4
5
6
6
7
8
9
10
11
12
13
14
15
16
17
17
18
18
19
20
21
FIT
1:1
100%

Артикул

Название

Примечание

Количество

1

22J-43-11412

PEDAL,BOOM SWING

2

20A-43-11280

BUSHING

3

01643-31232

WASHER

4

04064-01210

RING,SNAP

5

22J-43-11422

LEVER,BOOM SWING

6

20A-43-11280

BUSHING

7

01643-31232

WASHER

8

04064-01210

RING,SNAP

9

20A-43-11770

PLATE

10

04205-10414

PIN

11

04050-11008

PIN,COTTER

12

04210-20624

YOKE

13

01580-10605

NUT

14

04248-30616

ROD

15

04220-20624

YOKE

16

01508-40603

NUT¤ L.H. THREAD

17

04205-10618

PIN

18

04050-11612

PIN,SNAP

19

22J-43-11430

LOCK

20

20M-43-71690

PIN

21

04050-12015

PIN,COTTER

Выбрано товаров: 21