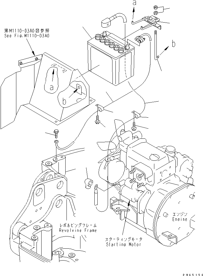
Запчасти Komatsu PC10UU-3 АККУМУЛЯТОР (АККУМУЛЯТОР¤ ЭЛЕМЕНТЫ КРЕПЛЕНИЯ И ЭЛЕКТРОПРОВОДКА) ЭЛЕКТРИКА

Схема запчастей Komatsu PC10UU-3 - АККУМУЛЯТОР (АККУМУЛЯТОР¤ ЭЛЕМЕНТЫ КРЕПЛЕНИЯ И ЭЛЕКТРОПРОВОДКА) ЭЛЕКТРИКА
1
2
3
4
5
6
7
8
9
10
11
12
FIT
1:1
100%

Артикул

Название

Примечание

Количество

1

22J-06-11160

BATTERY

2

20A-06-21510

HOLDER

|2

08053-01510

CLIP (WELDED)

3

FF7820-06211

ROD

4

01580-10806

NUT

5

20A-06-21310

CABLE,EARTH

6

01435-01016

BOLT

7

04434-51008

CLIP

8

01435-00812

BOLT

9

08038-04030

CAP

10

08036-10810

CLIP

11

01435-00812

BOLT

12

20A-06-21412

CABLE,STARTER

|12

22J-06-15130

CAP

Выбрано товаров: 14