Запчасти Komatsu PC10UU-3 ОСНОВН. УПРАВЛ-Е (ПАТРУБОК И ПАТРУБОК¤ ДЛЯ ОСНОВН. КЛАПАН)(№7-799) КАБИНА ОПЕРАТОРА И СИСТЕМА УПРАВЛЕНИЯ

Схема запчастей Komatsu PC10UU-3 - ОСНОВН. УПРАВЛ-Е (ПАТРУБОК И ПАТРУБОК¤ ДЛЯ ОСНОВН. КЛАПАН)(№7-799) КАБИНА ОПЕРАТОРА И СИСТЕМА УПРАВЛЕНИЯ
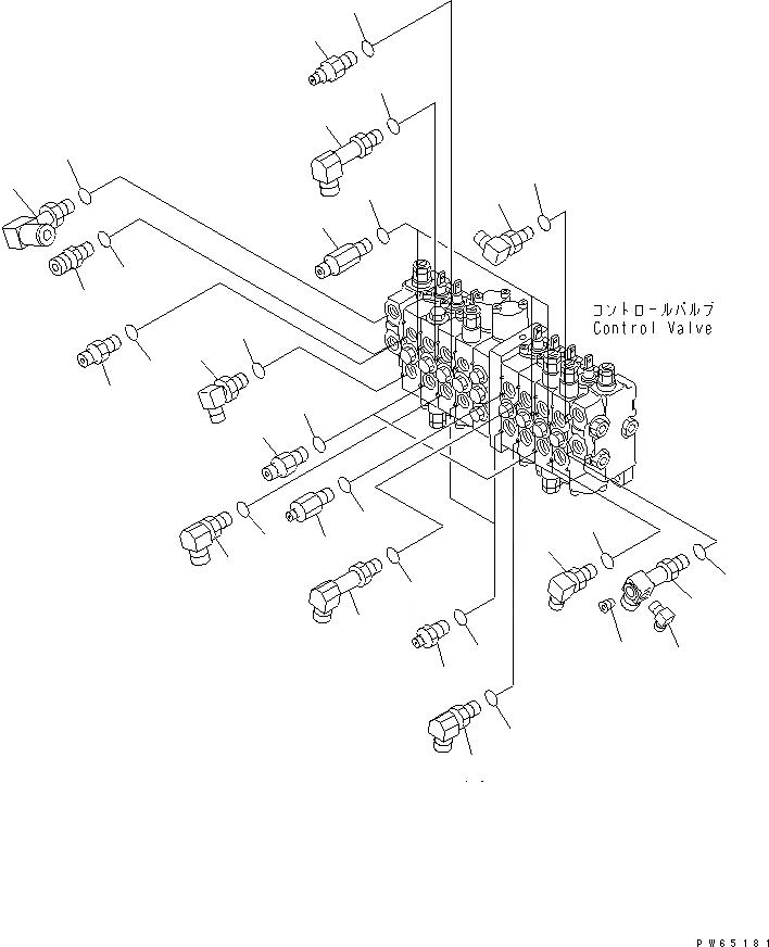
1
2
3
4
5
6
7
7
7
8
9
10
11
12
13
13
14
14
15
15
15
15
15
15
15
15
15
15
15
15
15
15
15
15
FIT
1:1
100%

Артикул

Название

Примечание

Количество

1

22J-62-12260

ELBOW

2

22J-62-12250

ELBOW

3

07043-70108

PLUG

4

21S-62-22270

ELBOW

5

22J-62-12230

NIPPLE

6

20A-62-12260

NIPPLE

7

21A-62-12320

ELBOW

8

21A-62-12350

NIPPLE

9

21A-62-12360

NIPPLE

10

20A-62-22810

NIPPLE

11

21A-62-12310

NIPPLE

12

21S-62-22260

NIPPLE

13

22J-62-12910

ELBOW

14

22J-62-12920

ELBOW

15

07002-11423

O-RING

Выбрано товаров: 15