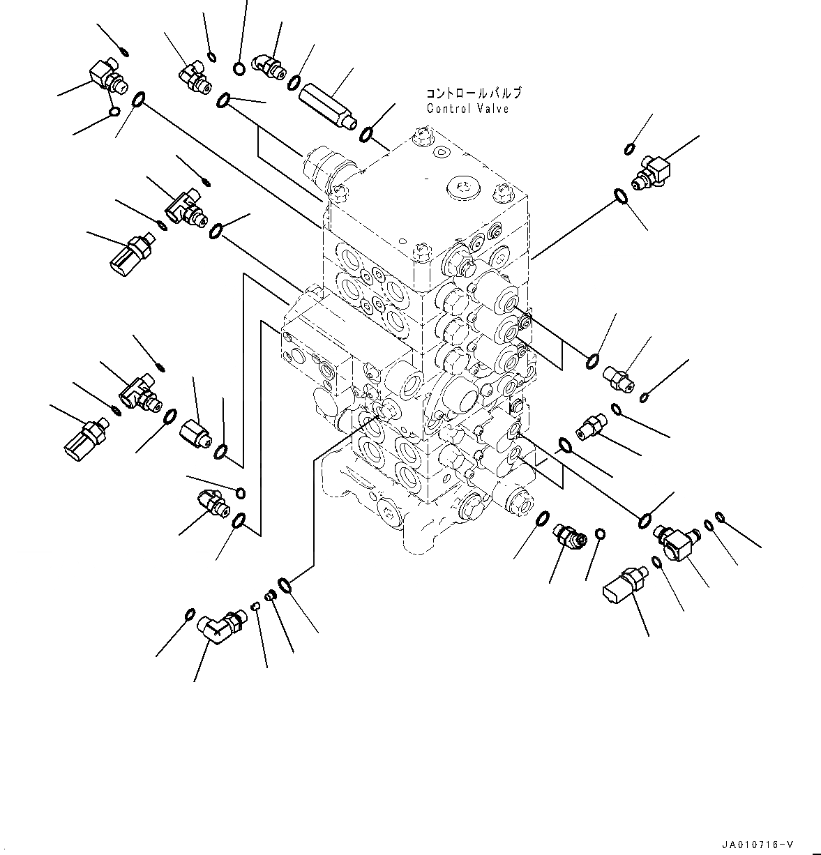
Запчасти Komatsu PC110-8M0 УПРАВЛЯЮЩ. КЛАПАН (С -СЕРВИСНЫЙ КЛАПАН) (СОЕДИНИТЕЛЬН. ЧАСТИ, LS ГЛАВН. ТРУБЫ) (/) H [ГИДРАВЛИКА]

Схема запчастей Komatsu PC110-8M0 - УПРАВЛЯЮЩ. КЛАПАН (С -СЕРВИСНЫЙ КЛАПАН) (СОЕДИНИТЕЛЬН. ЧАСТИ, LS ГЛАВН. ТРУБЫ) (/) H [ГИДРАВЛИКА]
41
42
40
38
39
38
37
35
36
34
32
32
33
33
29
30
31
28
23
22
21
17
16
15
16
17
14
4
5
1
3
2
12
13
11
18
25
19
20
26
32
33
26
27
24
9
7
8
6
10
FIT
1:1
100%

Артикул

Название

Примечание

Количество

|$1

ЧўЈєґЛБР±н°ьАЁТФПВ№жёсЎЈ

|$2

ґш1ёцјмРЮ·§

|$3

ґш1ёщёЅјУЦґРР»ъ№№№ЬВ·Ј¬РоДЬЖч

|$4

Note: This list covers following

|$5

With 1-Service Valve

|$$6

With 1-additional Actuator Pipin

Accumulator

1

21K-62-72730

ELBOW

2

21Y-60-11250

POPPET

3

21Y-62-11591

PLUG

4

07002-11423

O-RING

5

02896-11009

O-RING

6

02783-10210

ELBOW

7

07002-11423

O-RING

8

02896-11008

O-RING

9

21J-62-15940

ADAPTER

10

07002-11423

O-RING

11

202-62-17300

VALVE ASSEMBLY

12

02896-11008

O-RING

13

07002-11423

O-RING

14

22B-62-21381

ELBOW

15

203-62-13520

ELBOW

16

02896-11008

O-RING

17

07002-11423

O-RING

18

203-62-71130

NIPPLE

19

07002-11423

O-RING

20

02896-11008

O-RING

21

22B-62-22690

TEE

22

02896-11008

O-RING

23

07002-11423

O-RING

24

22B-62-22690

TEE

25

6162-73-4690

NIPPLE

26

07002-11423

O-RING

27

02896-11008

O-RING

28

203-62-12811

TEE

29

201-60-11390

O-RING

30

20Y-62-19560

O-RING

31

07002-11423

O-RING

32

7861-93-1840

SENSOR, PRESSURE

33

07000-12011

O-RING

34

02781-0021D

UNION

42

07002-11423

O-RING

Выбрано товаров: 41