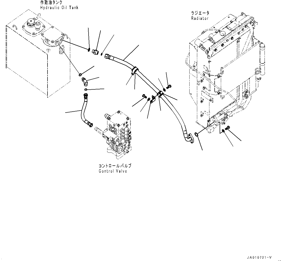
Запчасти Komatsu PC110-8M0 ЛИНИИ МАСЛООХЛАДИТЕЛЯ H [ГИДРАВЛИКА]

Схема запчастей Komatsu PC110-8M0 - ЛИНИИ МАСЛООХЛАДИТЕЛЯ H [ГИДРАВЛИКА]
17
18
16
13
12
10
3
4
2
11
14
15
1
5
6
7
5
6
9
8
FIT
1:1
100%

Артикул

Название

Примечание

Количество

1

203-62-11151

HOSE

2

07000-13032

O-RING

3

01010-81040

BOLT

4

01643-31032

WASHER

5

19M-60-12720

CLIP

6

21T-62-76840

CUSHION

7

01010-81225

BOLT

8

01643-31232

WASHER

9

203-62-17170

BRACKET

10

01010-81230

BOLT

11

01643-31232

WASHER

12

203-62-13480

HOSE

13

207-62-72110

UNION

14

07002-13334

O-RING

15

207-62-64740

O-RING

16

02782-1062A

ELBOW

17

07002-12434

O-RING

18

02896-11018

O-RING

Выбрано товаров: 18