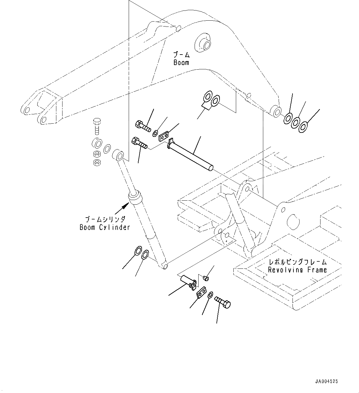
Запчасти Komatsu PC110-8M0 СТРЕЛА НИЖН. ПАЛЕЦ J [РАМА И ITS КОМПОНЕНТЫ]

Схема запчастей Komatsu PC110-8M0 - СТРЕЛА НИЖН. ПАЛЕЦ J [РАМА И ITS КОМПОНЕНТЫ]
4
6
14
13
12
11
10
5
2
3
1
7
8
9
15
16
FIT
1:1
100%

Артикул

Название

Примечание

Количество

1

202-70-61160

PIN

2

01010-61625

BOLT

3

205-70-66580

PLATE

4

01010-81230

BOLT

5

01643-31232

WASHER

6

21Y-70-14760

SPACER, T=2.0MM

7

20U-70-31340

SPACER, T=1.0MM

8

20U-70-31330

SPACER, T=0.5MM

9

20Y-70-31481

SPACER, T=2.0MM

10

203-46-56260

PIN

11

205-70-66580

PLATE

12

01010-81230

BOLT

13

01643-31232

WASHER

14

21Y-70-14830

SPACER, T=1.0MM

15

21Y-70-14840

SPACER, T=2.0MM

16

07049-01620

PLUG

Выбрано товаров: 16