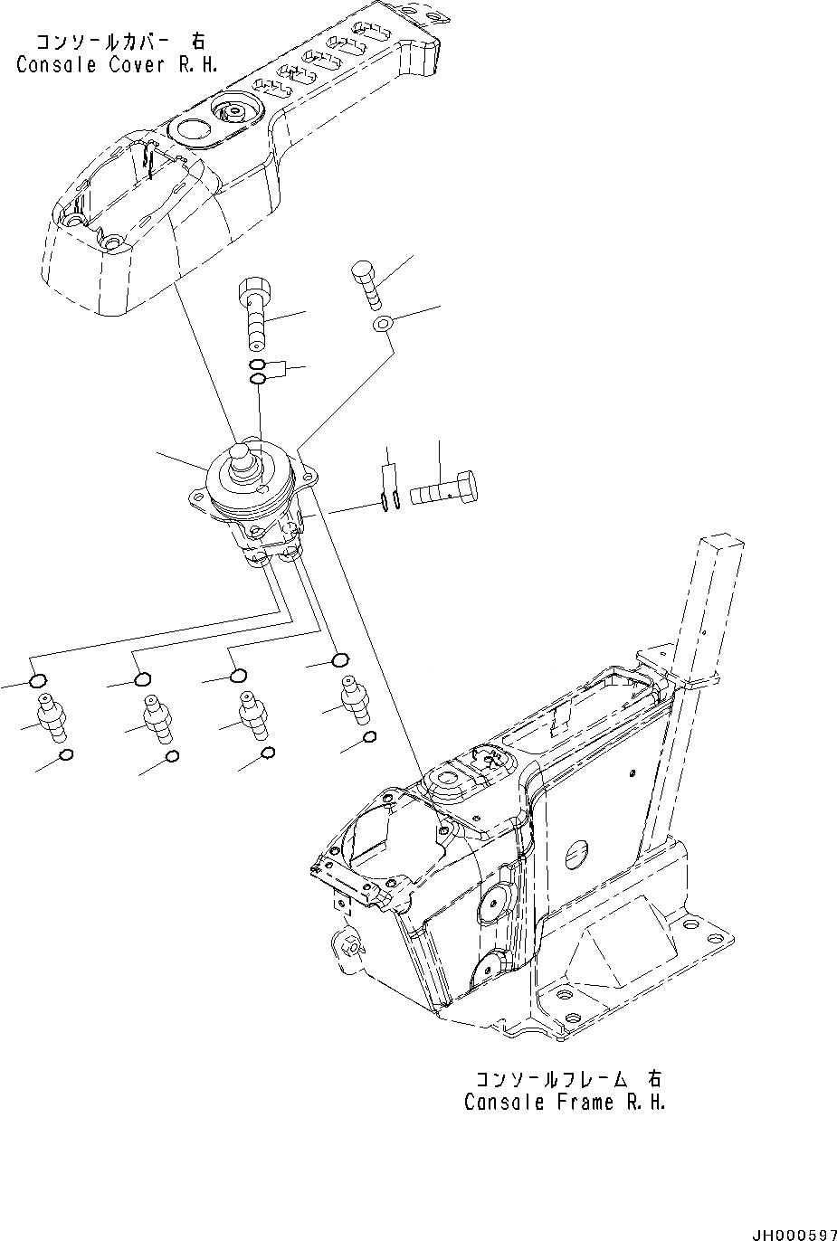
Запчасти Komatsu PC110-8M0 КАБИНА И ОСНОВН. КОНСТРУКЦИЯ ГРУППА (ПОЛ, КЛАПАН PPCКРЕПЛЕНИЕ ДЛЯ РАБОЧ. ОБОРУД-Я, ПРАВ.) K [КАБИНА ОПЕРАТОРА И СИСТЕМА УПРАВЛЕНИЯ]

Схема запчастей Komatsu PC110-8M0 - КАБИНА И ОСНОВН. КОНСТРУКЦИЯ ГРУППА (ПОЛ, КЛАПАН PPCКРЕПЛЕНИЕ ДЛЯ РАБОЧ. ОБОРУД-Я, ПРАВ.) K [КАБИНА ОПЕРАТОРА И СИСТЕМА УПРАВЛЕНИЯ]
7
9
8
8
9
7
7
4
3
6
9
9
5
8
2
8
1
7
10
FIT
1:1
100%

Артикул

Название

Примечание

Количество

|$1

ЧўЈєґЛБР±н°ьАЁТФПВ№жёсЎЈ

|$2

І»ґш1ёщёЅјУЦґРР»ъ№№№ЬВ·Ј¬РоДЬЖч

|$3

ґш1ёщёЅјУЦґРР»ъ№№№ЬВ·Ј¬РоДЬЖч

|$4

Note: This list covers following

|$$5

Without 1-additional Actuator Pi

Accumulat

|$$6

With 1-additional Actuator Pipin

Accumulator

1

01010-80820

BOLT

2

01643-30823

WASHER

3

20Y-62-18910

PLUG

4

07000-12018

O-RING

5

20Y-62-18890

BOLT, JOINT

6

07000-12015

O-RING

7

11Y-62-12130

NIPPLE

8

02896-11008

O-RING

9

07002-11423

O-RING

10

702-16-03910

VALVE ASSEMBLY, PILOT(REFER TO PAGE 322)

Выбрано товаров: 16