Запчасти Komatsu PC110-8M0 КАБИНА И ОСНОВН. КОНСТРУКЦИЯ ГРУППА (ПОЛ, КОНСОЛЬ, ПРАВ.) K [КАБИНА ОПЕРАТОРА И СИСТЕМА УПРАВЛЕНИЯ]

Схема запчастей Komatsu PC110-8M0 - КАБИНА И ОСНОВН. КОНСТРУКЦИЯ ГРУППА (ПОЛ, КОНСОЛЬ, ПРАВ.) K [КАБИНА ОПЕРАТОРА И СИСТЕМА УПРАВЛЕНИЯ]
2
4
6
7
8
11
9
11
9
12
18
14
13
18
15
18
17
19
22
21
20
24
23
24
23
25
10
10
16
3
29
28
27
28
28
30
31
31
34
33
32
32
32
36
35
37
37
37
42
43
44
46
47
41
40
39
38
45
48
5
1
26
26
FIT
1:1
100%

Артикул

Название

Примечание

Количество

|$1

ЧўЈєґЛБР±н°ьАЁТФПВ№жёсЎЈ

|$2

І»ґш1ёщёЅјУЦґРР»ъ№№№ЬВ·Ј¬РоДЬЖч

|$3

ґш1ёщёЅјУЦґРР»ъ№№№ЬВ·Ј¬РоДЬЖч

|$4

Note: This list covers following

|$$5

Without 1-additional Actuator Pi

Accumulat

|$$6

With 1-additional Actuator Pipin

Accumulator

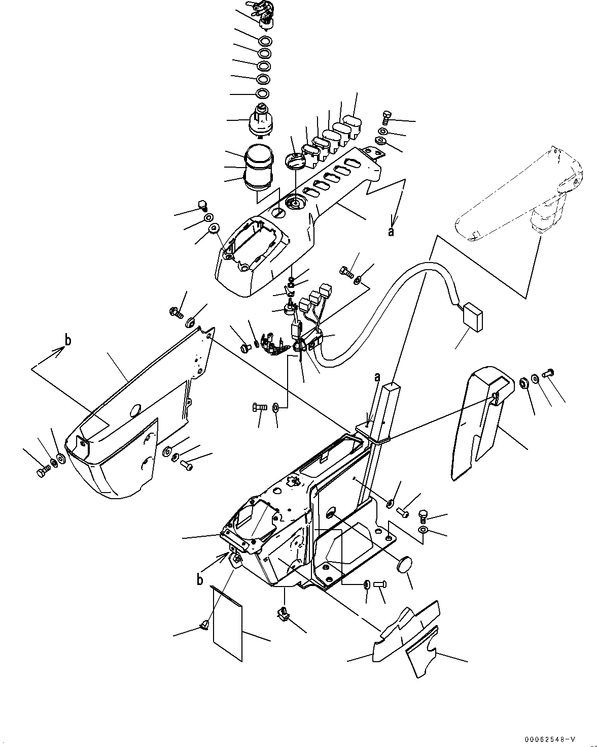
1

20Y-43-41314

FRAME

2

01010-D1230

BOLT

3

01643-71232

WASHER

4

20Y-43-41631

SHEET

5

22U-43-23251

SHEET

6

22U-43-23290

CLIP

7

20Y-43-41324

COVER

8

20Y-43-41661

SHEET

9

01010-80616

BOLT

10

01643-30623

WASHER

11

20Y-43-41290

COLLAR

12

20Y-43-41332

COVER

13

01245-00616

SCREW

14

01643-70623

WASHER

15

01010-80616

BOLT

16

01643-30623

WASHER

17

01435-00612

BOLT

18

20Y-43-41290

COLLAR

19

20Y-43-41353

COVER

20

01245-00616

SCREW

21

01643-70623

WASHER

22

20Y-43-41290

COLLAR

23

01245-00616

SCREW

24

01643-70623

WASHER

25

09415-02512

CAP

26

08086-20000

SWITCH, STARTING

27

20Y-43-41740

PLATE

28

20Y-43-41750

WASHER

29

20Y-43-41790

WASHER

30

20Y-43-41671

SHEET

31

08034-20519

BAND

32

22U-06-22380

POTENTIOMETER

33

22U-06-22460

SPRING

Выбрано товаров: 39