Запчасти Komatsu PC1100-6 NO. НАСОС (СОЕДИНИТ. ЧАСТИ) (TROPICAL WEATHER СПЕЦ-Я.) (ДЛЯ GHANA) ГИДРАВЛИКА

Схема запчастей Komatsu PC1100-6 - NO. НАСОС (СОЕДИНИТ. ЧАСТИ) (TROPICAL WEATHER СПЕЦ-Я.) (ДЛЯ GHANA) ГИДРАВЛИКА
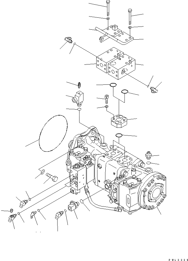
1
2
3
4
5
6
7
8
9
10
11
12
13
14
15
16
17
18
19
19
20
20
21
22
23
24
25
26
27
28
29
30
31
32
33
34
35
36
FIT
1:1
100%

Артикул

Название

Примечание

Количество

1

708-2H-00322

PUMP ASS'Y,(SEE FIG. Y1601-41A0)

2

07000-E5270

O-RING

3

01010-82065

BOLT

4

01643-32060

WASHER

5

21N-62-11361

FLANGE

6

07000-B3038

O-RING

7

01252-71235

BOLT

8

01643-51232

WASHER

9

21N-62-31371

BLOCK,L.H.

10

07000-B3038

O-RING

11

21N-62-31420

BRACKET

12

01011-81220

BOLT

13

01643-31232

WASHER

14

21N-62-31651

BLOCK,R.H.

15

07000-B3038

O-RING

16

21N-62-33330

BRACKET

17

01011-81220

BOLT

18

01643-31232

WASHER

19

209-62-61310

NIPPLE ASS'Y

20

209-62-61330

O-RING

21

21N-62-32950

ELBOW

22

07002-12434

O-RING

23

20B-27-11210

BLEEDER

24

114-62-23110

NIPPLE

25

07002-12434

O-RING

26

209-62-67470

ELBOW

27

07002-11423

O-RING

28

07042-30108

PLUG

29

22X-61-18550

ELBOW

30

07002-11423

O-RING

31

20Y-62-16450

ELBOW

32

07002-12434

O-RING

33

07235-10516

ELBOW

33

113-63-22390

ELBOW

34

07002-12034

O-RING

35

07235-10311

ELBOW

36

07002-11423

O-RING

Выбрано товаров: 37